寬帶GaAs MMIC功率放大器 陶瓷封裝0.7至2.2GHz頻段 美國進口功率放大器現貨出售
2018-06-28 14:50:37
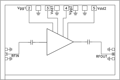
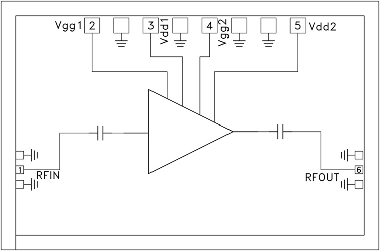
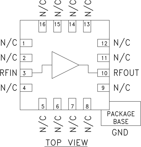
AMCOM的AM072249WM是光纖寬帶GaAs MMIC內容輸出工率擴大器。它另一個30dB小警報收獲和39 dBm(8W)飽和點內容輸出的載荷系數CW效果內容輸出工率少于0.7至2.2GHz頻段。MMIC在兩根心片(-00—R)中作為。包(-SN-R)表格樣式。AM072249WM SN-R是陶瓷廠家二極管封裝中的一些。蝶閥法蘭和直RF和DC致使裝配工藝減退