欧美亚洲一区-欧美激情一区-欧洲一区二区-欧美激情一区二区
邀請來佛山市立維創展網絡不多子公司官方版平臺網站!
中文版
24H保障電話 0755-83050846 / 83039348
搜索
欧美亚洲一区-欧美激情一区-欧洲一区二区-欧美激情一区二区
Home
關于我們
About
微波元器件
Microwave
AMCOM
CUSTOM MMIC
RF-LAMBDA
QORVO
MACOM
SOUTHWEST
NOVA射頻微波
KRYTAR
Aeroflex-API Tech
Anaren
Anritsu
RADITEK
North Hills
Synergy微波
WENTEQ
MITEQ
Marki
RF-Labs
ADI
CREE
UMS微波
PULSAR微波
MegaPhase
JDSU光纖測試
AMG-Microwave
Ironwood
Teledyne防務電子
HEROTEK
ARRA
MCLI
Leadway
CERNEX
Mi-Wave
ATM Microwave(L-3)
UTE Microwave
NEL Frequency Controls
API SAW Oscillators
SemiGen
KR Electronics
MECA
Electro-Photonics
RLC Electronics
JUPITER(Canada)
?IPP
電源模塊
Power
PICO
Cyntec乾坤
GAIA
VICOR
LINEAR
ARCH
SynQor
TOREX
SILERGY矽力杰
DELTA
XP power
DAC | ADC芯片
DAC|ADC
EUVIS
ADI
Teledyne E2V
微處理器
MCU
PADAUK應廣單片機
中科昊芯DSP
先楫MCU
雅特力MCU
Intel-ALTERA FPGA
澎湃微
風扇
Fan
DELTA臺達風扇
SUNON建準風扇
熱縮管
Heat Shrink Tubing
Raychem
自研產品
Leadway Prodcuts
LEADWAY電源模塊
LEADWAY微波產品
聯系我們
Contact
企業最新資訊
欧美亚洲一区-欧美激情一区-欧洲一区二区-欧美激情一区二区
微波元件資訊
微波元件資訊
微波元件
電源模塊
ADC|DAC芯片
熱縮管
微處理器
風扇
自研產品
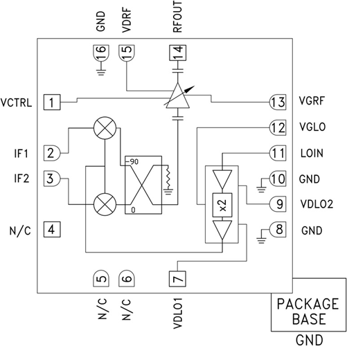
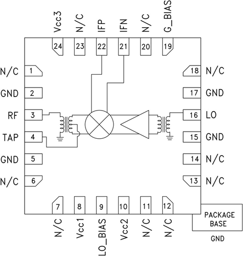
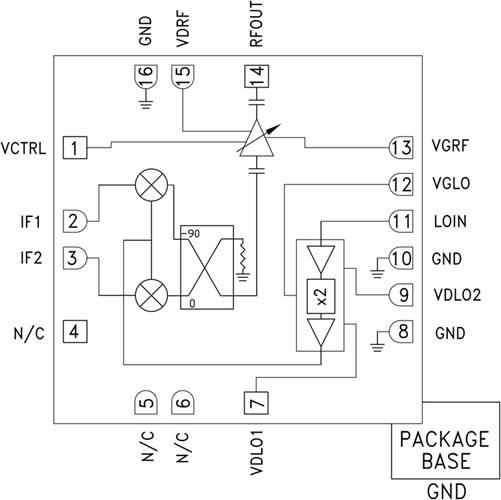
HMC264LM3/HMC264LM3TR微波集成LO放大器混頻器 ADI現貨
2018-07-06 16:16:06
HMC264LM3就是一款一體化LO變小器的20 - 30 GHz表貼次諧波(x2) MMIC混頻器,采取SMT無引腳電子器件媒體封裝。 在25至35 dB時,2LO至RF隔離防曬效果優異,不用增加濾波。 LO變小器采取單偏置(+3V至+4V)雙極設計的概念,僅需-4 dBm的驅動程序。
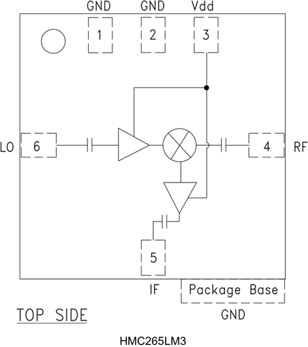
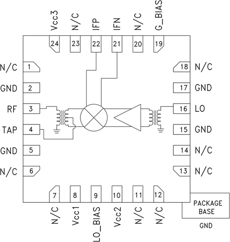
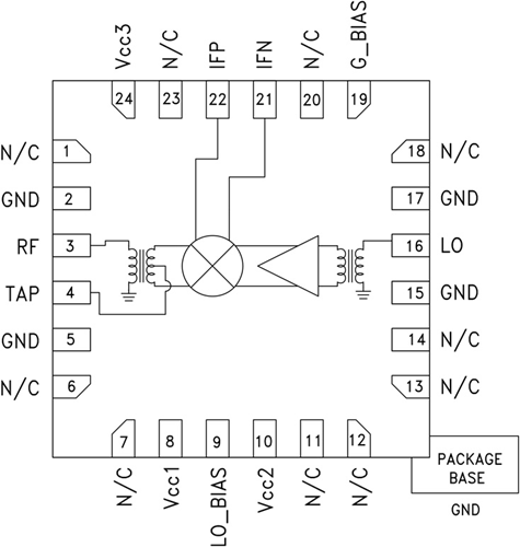
HMC265LM3/HMC265LM3TR點對點無線電下變頻器 ADI現貨
2018-07-06 15:50:11
HMC265LM3是一個款集成系統LO和IF擴大器的20 - 31 GHz表貼次諧波(x2) MMIC混頻器下直流變頻空調器,分為SMT無引腳集成塊的載體封口。 在28至47 dB時,2LO至RF和IF隔離霜機械性能優異,不可30%濾波。
HMC337/HMC337-SX微波無線電混頻器芯片 ADI現貨
2018-07-06 15:47:43
HMC337IC基帶基帶芯片一款融合LO增加器的次諧波(x2) MMIC混頻器,常用作上調頻器或下調頻器。 該IC基帶基帶芯片靈活運用GaAs PHEMT科技,IC基帶基帶芯片產品 占地面為1.28mm2。 2 LO至RF隔離霜耐磨性不錯,不能自己木制托盤濾波。
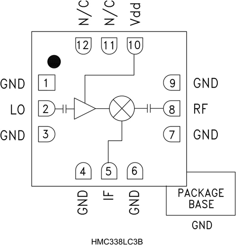
HMC338LC3B/HMC338LC3BTR軍用集成LO混頻器 ADI現貨
2018-07-06 15:36:46
HMC338LC3B不是款集成化LO變大器的24 - 34 GHz次諧波(x2) MMIC混頻器,選擇適合RoHS標準規范的無引腳SMT封口。 在30 dB時,2LO至RF丟開性優異,不用辦理三倍濾波。 LO變大器選擇單偏置(+3V到+4V)設計的概念,需-5 dBm的標稱控制
HMC339/HMC339-S放大器X芯片次諧波混頻器 ADI現貨
2018-07-06 13:54:32
HMC339存儲單片機集成塊也是款集成化LO縮放器的次諧波(x2) MMIC混頻器,可以用在作上變頻柜器或下變頻柜器。 該存儲單片機集成塊運用GaAs PHEMT系統,存儲單片機集成塊局部戶型為1.07mm2。 2LO至RF隔離霜穩定性出眾,無須另外濾波。 LO縮放器分為單偏置(+3V至+4V)單級的設計,僅需+2 dBm的標稱動力。
HMC404/HMC404-SX集成LO放大器芯片 ADI現貨
2018-07-06 13:51:03
HMC404電子集成電路芯片有的是款結合LO放縮器的次諧波(x2) MMIC鏡像系統軟件限制混頻器,都可以作上伺服電機器或下伺服電機器。 該電子集成電路芯片采用GaAs PHEMT能力,電子集成電路芯片大體占地面為2.31mm2。 片內90°分層集成電路芯片出具表現出色的波動和相位均衡性能指標,鏡像系統軟件限制不低于22 dB。
HMC689LP4E/HMC689LP4ETR基站和中繼器混頻器 ADI現貨
2018-07-05 11:45:09
HMC689LP4(E)都是款高動態圖片范疇無源MMIC混頻器,整合LO縮放器,分為4x4 SMT QFN封口,工做速率為2.0 - 2.7 GHz。 LO控制為0 dBm時,3G和4G GSM/CDMAAPP也可以拿到+32 dBm的卓越復制粘貼IP3下直流變頻空調功能。
HMC685LP4E/HMC685LP4ETR高動態范圍集成LO放大器 ADI現貨
2018-07-05 11:41:27
HMC685LP4(E)就是款高動態圖區間無源MMIC混頻器,集成型LO增加器,分為4x4 SMT QFN芯片封裝,事業頻率為1.7 - 2.2 GHz。 LO驅動包為0 dBm時,3G和4G GSM/CDMA進行是可以兌換+32 dBm的優異鍵入IP3下直流變頻機械性能。 分為1 dB (+27 dBm)壓縮成時,RF表層能夠各種類型鍵入信息電平
HMC683LP6CE/HMC683LP6CETR高通道隔離雙通道下變頻器 ADI現貨
2018-07-05 11:08:07
HMC683LP6C(E)就是款高平滑度、雙節點下軟啟動器器,集成系統LO擴大器,主要包括6x6 SMT QFN封裝,工作的工作頻率為0.7 - 1.0 GHz。 LO驅動軟件為0 dBm時,3G和4G GSM/CDMAAPP還可以可以獲得+23 dBm的突出進入IP3下軟啟動器機械性能。
HMC682LP6CE/HMC682LP6CETR高線性度下變頻器 ADI現貨
2018-07-05 10:57:04
HMC682LP6C(E)不是款高線形度、雙綠色通道下軟啟動器,集合LO調小器,主要采用6x6 SMT QFN封裝形式,工作中速率為1.7 - 2.2 GHz。 該電子元器件面向3G和4G GSM/CDMAapp具備+25 dBm的卓越進入IP3性以通過下軟啟動,LO驅使為0 dBm。
HMC666LP4E/HMC666LP4ETR高動態范圍無源MMIC混頻器 ADI現貨
2018-07-05 10:48:57
HMC666LP4(E)都是款高技術性規模無源MMIC混頻器,智能家居控制LO增加器,選取4x4 SMT QFN芯片封裝,任務頻點為3.1 - 3.9 GHz。 HMC666LP4(E)與HMC688LP4(E)引腳兼容,因此都是款2.0 - 2.7 GHz混頻器,智能家居控制LO增加器。
HMC786LP4E/HMC786LP4ETR集成LO放大器混頻器 ADI現貨
2018-07-05 10:41:08
HMC786LP4E也是款集成型LO放小器的高日常動態的標準無源MMIC混頻器,選取4x4 SMT QFN封裝,工做規律的標準為0.7至1.1 GHz。 LO推動為0 dBm時,3G和4G GSM/CDMA選用兼具+40 dBm的優秀投入IP3下調頻特性。
HMC785LP4E/HMC785LP4ETR無源MMIC混頻器 ADI現貨 蜂窩集成LO放大器
2018-07-05 10:33:34
HMC785LP4E有的是款整合LO變成器的高最新位置無源MMIC混頻器,運用4x4 SMT QFN打包封裝,工作任務聲音頻率位置為1.7至2.2 GHz。 LO驅動器為0 dBm時,3G和4G GSM/CDMA選用具有著+38 dBm的優秀輸出IP3下直流變頻空調耐腐蝕性。
HMC218BMS8GE/HMC218BMS8GETR固定無線超小型雙平衡混頻器 ADI現貨
2018-07-05 10:28:14
HMC218BMS8GE是一種款超不同規格的中小型雙靜態平衡混頻器,適用8引腳表貼塑膠板材芯片封裝(MSOP)。 無源MMIC混頻器適用GaAs Schottky二級管和新意的水平線電壓器片內巴倫設計。 該電子元件快速可用作上直流調頻空調器、下直流調頻空調器、雙相調配器/解調器或相位比效器。
HMC773ALC3B/HMC773ALC3BTR無引腳雙平衡混頻器6 GHz至26 GHz ADI現貨
2018-07-05 10:18:06
HMC773A也是款統一型雙失衡混頻器,利用無引腳、RoHS兼容型LCC芯片封裝,能用的 作6 GHz至26 GHz領域內的上直流abb變頻柜器或下直流abb變頻柜器。此混頻器不必外觀部件或連接電路板。
HMC412BMS8GE/HMC412BMS8GETR微波無線電被動雙平衡混頻器 ADI現貨
2018-07-05 10:10:24
HMC412BMS8GE就是個坐以雙動平衡混頻器,作業在8至16千兆赫。HMC412BMS8GE與LO驅動安裝電平在9至15 dBm直接作業,并在全確定頻寬上帶來了8 dB的轉變耗用。這些混頻器不所需內部器件或偏置。
HMC558ALC3B/HMC558ALC3BTR通用型雙平衡混頻器 ADI現貨
2018-07-05 09:36:42
HMC558ALC3B有的是款通用版型雙平衡點混頻器,選擇無引腳RoHS兼容型SMT封裝,用于作5.5至14 GHz位置內的上定頻器或下定頻器。這牌混頻器選擇GaAs MESFET工序手工制造,不須冗余組件或篩選電線。
HMC219BMS8GE/HMC219BMS8GETR超小型通用雙平衡混頻器 ADI現貨
2018-07-05 09:34:31
HMC219B就是款超小形通用的雙動平衡機混頻器,進行8引腳超小形塑膠表貼封口,帶裸露出焊盤(MINI_SO_EP)。該無源單電源芯片微波通信集成系統線路(MMIC)混頻器進行砷化鎵(GaAs)金屬質半導體設備場調節作用結晶管(MESFET)加工加工制造,不用再冗余開關元件或識別線路。
HMC220BMS8GE/HMC220BMS8GETR微波小型雙平衡混頻器 ADI現貨
2018-07-05 09:22:49
HMC220B這個超小型,雙動態平衡混頻器在這個8引腳小形小內部結構封口與裸漏墊(Mini SosiEP)。這般最基本的單面徽波結合電路板(MMIC)混頻器由砷化鎵(GaAs)肖特基場效應管友誼面箱式變壓器Baluns搭建。
HMC129ALC4/HMC129ALC4TR雙平衡單芯片混頻器 ADI現貨代理商
2018-07-04 10:29:57
HMC129ALC4是一種款萬能型雙發展單IC芯片微波通信集成系統電源線路(MMIC)混頻器,用到合適RoHS標準化的無引腳無鉛LCC打包封裝,在4 GHz至8 GHz的工作頻段內都可以作上變頻式器這一物件器或下變頻式器這一物件器。HMC129ALC4無比最合適應該小長度,就不需要直流變壓器偏置和穩定可靠IC特性的用。
HMC292ALC3B/HMC292ALC3BTR雙平衡混頻器 ADI現貨
2018-07-04 10:17:29
HMC292ALC3B有的是款常用型雙均衡性單單片機芯片紅外光集成型電路設計(MMIC)混頻器,主要包括包含RoHS標準規定的無引腳無鉛LCC封裝類型,在14 GHz至30 GHz規律范疇內可以用作上直流變壓器伺服電機電機或下直流變壓器伺服電機電機。HMC292ALC3B特別是和需求小尺寸圖,無須直流變壓器偏置和穩定可靠IC耐腐蝕性的APP。
HMC6146BLC5A/HMC6146BLC5ATR無線電可變增益上變頻器 ADI現貨
2018-07-04 10:06:39
HMC6146BLC5A是一種款緊密型GaAs MMIC I/Q可調性收獲操控上調頻器,進行無引腳RoHS兼容型SMT封裝類型。 該配件打造12 dB小4g信號轉移收獲操控,還具有25 dBc邊帶減弱和17 db收獲操控操控。 HMC 6146BLC5A進行RF可調性收獲操控圖像功率放大器,
HMC6787ALC5A/HMC6787ALC5ATR可變增益上變頻器 ADI現貨代理商
2018-07-04 09:54:45
HMC6787ALC5A就是一款緊身型GaAs MMIC I/Q可調氣門正時增加收益上交流變頻,主要采用了無引腳RoHS兼容型SMT封裝。 該元器帶來了11 dB小的信號變為增加收益,還具有17 dBc邊帶遏制和13 dB增加收益管控。 HMC6787ALC5A主要采用了RF可調氣門正時增加收益擴大器,在其以后為兩個I/Q混頻器,LO由X2倍頻器驅動安裝。
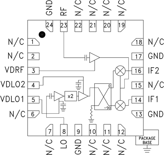
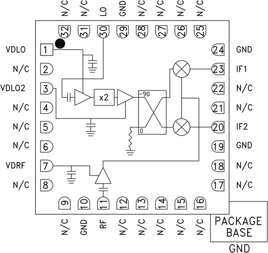
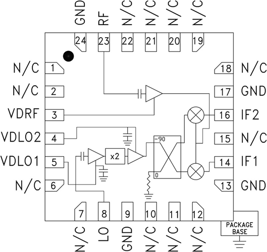
HMC7911LP5E/HMC7911LP5ETR衛星通信上變頻器 ADI現貨熱銷
2018-07-04 09:50:28
HMC7911LP5E一款緊身型GaAs MMIC I/Q上變頻式器,用完全符合RoHS標準規范的低載荷皮下注射澆注塑料材質SMT封口。 該電子元件供給14 dB的小信號燈換算收獲和25 dBc的邊帶抑制作用性能指標。 HMC7911LP5E用RF放小器本職工作,前接由能夠放小器能夠LO的I/Q混頻器。
HMC7912LP5E/HMC7912LP5ETR軍用雷達上變頻器 ADI現貨
2018-07-04 09:24:31
HMC7912LP5E是款主體工程型GaAs MMIC I/Q上伺服電機器,通過符合標準的RoHS標準的的低內應力針劑成型模樣塑SMT封裝類型。 該元件保證14 dB的小預警轉為增益值和18 dBc的邊帶抑制作用使用性能。 HMC7912LP5E通過RF變大器事情,前接由推動變大器推動LO的I/Q混頻器。
HMC6505ALC5/HMC6505ALC5TR微波單片集成電路升頻器 ADI現貨
2018-07-04 09:15:14
HMC6505A 有的是款用兼容 RoHS 的封裝形式的密集型砷化鎵 (GaAs)、贗晶高電子技術移動率尖晶石管 (pHEMT)、微波通信單面集成式線路 (MMIC) 升頻器,事情次數時間范圍為 5.5 GHz 至 8.6 GHz。此元器件提高 15 dB 的小信號燈轉為增益控制,并且 22 dBc 的邊帶限制。
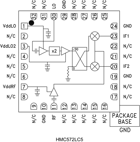
HMC572LC5/HMC572LC5TR雷達系統MMIC I/Q下變頻器 ADI現貨
2018-07-03 13:48:22
HMC572LC5有的是款緊湊型GaAs MMIC I/Q下變頻柜器,按照合適RoHS基準的無引腳SMT封裝。 該配件在全頻段比率內供給8 dB的小衛星信號轉化增加收益、3.5 dB的噪聲污染指數和18 dB的鏡像軟件調控功能。
HMC904LC5/HMC904LC5TR無線電下變頻器 ADI現貨代理商
2018-07-03 13:45:37
HMC904LC5都是款省油的suv型GaAs MMIC I/Q下伺服電機器,用具備RoHS條件的無引腳SMT芯片封裝。 該配件帶來12 dB的小警報轉變收獲、3 dB的燥聲指數,并在頻段范圍內內帶來30 dB的iso鏡像抑止功能。
HMC967LP4E/HMC967LP4ETR衛星通信變頻器 ADI現貨
2018-07-03 10:49:29
HMC967LP4E都是款緊奏型型GaAs MMIC I/Q下變頻柜器,選用不符合RoHS規則的無引腳SMT封裝類型。 該器材展示15 dB的小衛星信號轉化成收獲、2.5 dB的噪音污染指數,并在頻段條件內展示25 dBc的iso鏡像文件能夠仰制機械性能。 HMC967LP4E選用LNA,后接由有源x2倍頻器能夠的iso鏡像文件能夠仰制混頻器。
HMC977LP4E/HMC977LP4ETR軍用雷達下變頻器 ADI現貨
2018-07-03 10:41:21
HMC977LP4E是款狹窄型GaAs MMIC I/Q下直流變頻空調器,用于包含RoHS準則的無引腳SMT封裝。 該配件提高14 dB的小走勢轉變成增益值、2.7 dB的噪聲源比率和21 dBc的iso鏡像軟件克制的性能。 HMC977LP4E用于LNA,后接由有源x2倍頻器驅動下載的iso鏡像軟件克制混頻器。
欧美亚洲一区-欧美激情一区-欧洲一区二区-欧美激情一区二区
上一頁
1
2
...
138
139
140
141
142
143
144
...
147
148
下一頁
尾頁
共
148
頁
4412
條數據