HMC608LC4/HMC608LC4TR/HMC608LC4TR-R5中高工率變小器 ADI現貨交易
發表時期(qi):2018-06-26 16:19:23 瀏覽器:2462
HMC608LC4是款高動態性的利用范疇GaAs pHEMT MMIC中等偏上最大工作效率增加器,通過無引腳“無鉛”SMT封裝。該增加器出具兩種方式事業格局:高收獲值控制格局(Vpd引腳短接至地);和低收獲值控制格局(Vpd引腳始終維持引路)。下表顯視了在高收獲值控制格局下事業的增加器的不間斷規格參數。該增加器具備9.5至11.5 GHz的事業的利用范疇,出具29.5 dB收獲值控制、+27.5 dBm飽和點最大工作效率和23% PAE(+5V供電電流)。燥音指數為6 dB,而打印輸出IP3為+33 dBm。隔直RF I/O配比至50 Ω,的利用便。HMC608LC4不需要線焊,是可以的利用表貼制造出的技術。
|
品牌
|
型號
|
描述
|
貨期
|
庫存
|
|
ADI
|
HMC608LC4,HMC608LC4TR,HMC608LC4TR-R5
|
中等功率放大器,采用SMT封裝,9.5 - 11.5 GHz
|
現貨
|
237
|
HMC608LC4應用
HMC608LC4優勢和特點
-
輸出IP3:+33 dBm
-
飽和功率:+27.5 dBm (23% PAE)
-
增益:29.5 dB
-
電源:+5V(310 mA時)
-
50 Ω匹配輸入/輸出
-
符合RoHS標準的4x4 mm SMT封裝
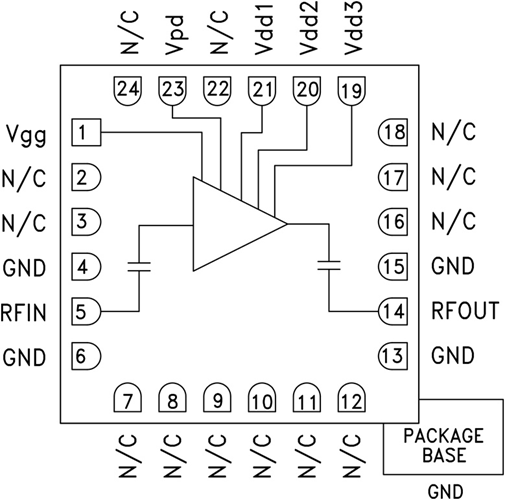
HMC608LC4結構圖
