HMC-APH633/HMC-APH633-SX/HMC-APH633-WP適中電率變小器 ADI現貨黃金
推出用時:2018-06-26 15:26:00 訪問(wen) :6993
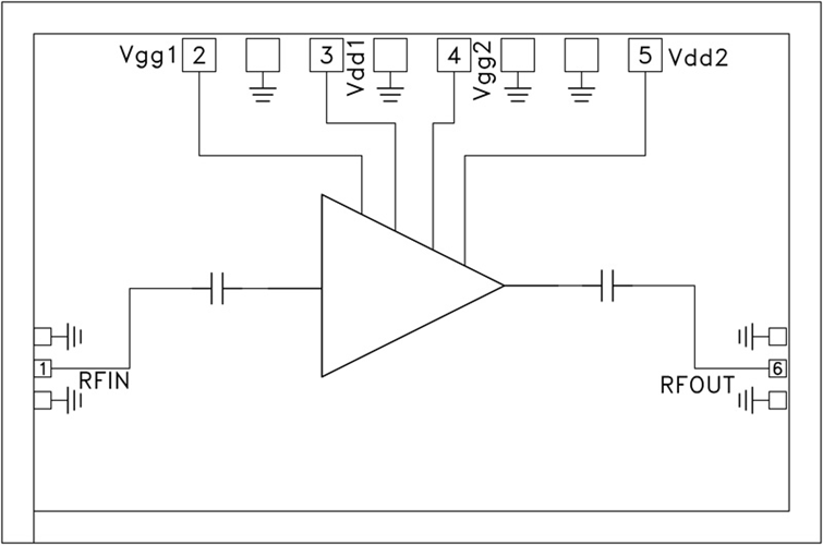
HMC-APH633是一種款有級GaAs HEMT MMIC中上電率調大器,事業速度范圍內為71至76 GHz。 HMC-APH633作為13 dB增加收益,選取+4V電源模塊的電壓時有著+20 dBm的輸出電率(1 dB縮減)。 所以焊盤和處理器反面都經Ti/Au金屬件化,調大器已根本鈍化以滿足穩定可靠運作。
HMC-APH633 GaAs HEMT MMIC中低檔最大功率拖動器兼容傳統性的心片貼裝具體方法,甚至熱再壓縮和熱高周波線焊接工藝藝,十分的適合MCM和分層微用電線路軟件應用。 彼處信息顯示的各個數據表格均是心片在50 Ω場景下利用RF探測器接觸的面積測量。
|
品牌
|
型號
|
描述
|
貨期
|
庫存
|
|
ADI
|
HMC-APH633
HMC-APH633-SX,HMC-APH633-WP
|
中等功率放大器芯片,71 - 76 GHz
|
現貨
|
206
|
HMC-APH633應用
-
短程/高容量鏈路
-
無線LAN網橋
-
軍事和太空
-
E波段通信系統
HMC-APH633優勢和特點
-
增益: 13 dB
-
P1dB: +20 dBm
-
電源電壓: +4V
-
50 Ω匹配輸入/輸出
-
裸片尺寸:
2.47 x 1.60 x 0.05 mm
HMC-APH633結構圖
