HMC408LP3E/HMC408LP3ETR高效、性價比最高率功效放小器5.1 - 5.9 GHz ADI現貨黃金
發布(bu)的時段:2018-06-26 13:39:38 瀏(liu)覽訪問:7338
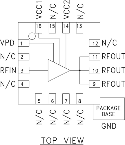
HMC408LP3(E)就是款5.1 - 5.9 GHz提高熱效率率GaAs InGaP異質結雙導電性納米線管(HBT)功效放縮器MMIC,給出數據+30 dBm P1dB。 該放縮器給出數據20 dB收獲,過剩功效為+32.5 dBm,電源適配器電壓電壓電流為+5V (27% PAE)。 發送內外自動匹配至50 Ohms,所在需很少的外表電子器件。 Vpd可以用在于全手機省電形式或RF所在功效/電壓電流控住。 該放縮器用于低生產成本、3x3 mm無鉛面上貼裝裝封,具有裸漏底座以減少RF和水冷散熱性。
|
品牌
|
型號
|
描述
|
貨期
|
庫存
|
|
ADI
|
HMC408LP3E
HMC408LP3ETR
|
1 W功率放大器SMT,5.1 - 5.9 GHz
|
現貨
|
275
|
HMC408LP3應用
-
802.11a & HiperLAN WLAN
-
UNII和點對點/多點無線電
HMC408LP3優勢和特點
-
增益: 20 dB
-
飽和功率: +32.5 dBm (27% PAE)
-
單電源電壓: +5V
-
省電功能
-
3x3 mm無鉛SMT封裝
HMC408LP3結構圖
