HMC-AUH318/HMC-AUH318-SX高新動態區域的二級中等偏上輸出功率放縮器 ADI現貨平臺
上傳(chuan)時間段:2018-06-26 16:01:41 瀏覽器:7588
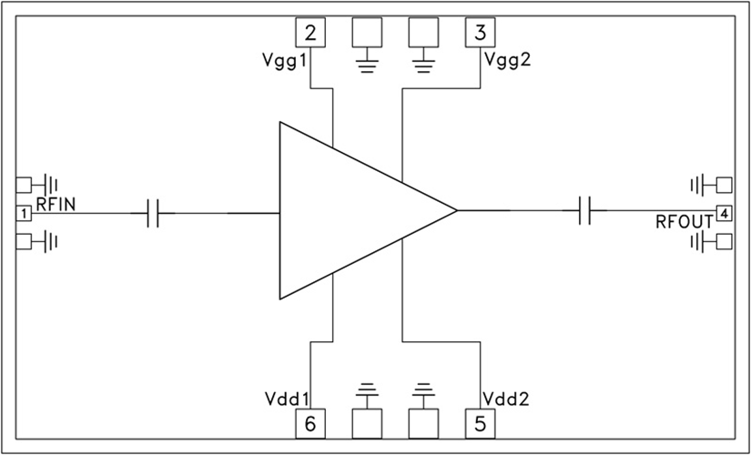
HMC-AUH318是款高動態化比率的三級分銷GaAs HEMT MMIC一般水平熱效率變成器,在71至76 GHz的速度下工作任務。 HMCAUH318帶來了24 dB的增加收益,在1 dB收縮點帶來了+17.5 dBm的輸出的熱效率,選取+4V電工作電壓。 幾乎擁有焊盤和集成ic正反面都通過Ti/Au金屬化。 HMC-AUH318 GaAs HEMT MMIC一般水平熱效率變成器可兼容常規化的集成ic貼裝的方式,及及熱收縮和熱多普勒彩超線焊,如此適MCM和搭配微線路應用領域。 此地現示的幾乎擁有數據源均是集成ic在50 Ohm周圍環境下采用RF紅外探頭觸碰測是。
|
品牌
|
型號
|
描述
|
貨期
|
庫存
|
|
ADI
|
HMC-AUH318
HMC-AUH318-SX
|
中等功率放大器芯片,71 - 76 GHz
|
現貨
|
267
|
HMC-AUH318應用
HMC-AUH318優勢和特點
-
增益: 24 dB
-
P1dB: +17.5 dBm
-
電源電壓: +4V
-
50 Ω匹配輸入/輸出
-
裸片尺寸:
2.65 x 1.60 x 0.05 mm
HMC-AUH318結構圖
