HMC-AUH320/HMC-AUH320-SX4個等級中高功效擴大器 ADI外盤
頒布時(shi)候:2018-06-27 11:44:10 閱覽:2725
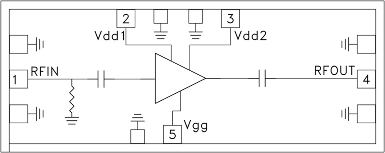
HMC-AUH320不是款高動態性范圍之內的四六級GaAs HEMT MMIC中級功效縮放器,在71至86 GHz的次數下運轉。 HMC-AUH320在74 GHz次數下帶來16 dB的增益值,在1 dB解壓縮點帶來+15 dBm的輸送功效,選用+4V相電壓相電壓。 大多數焊盤和基帶芯片正面都經歷Ti/Au材料化,縮放器電子元件已全鈍化以滿足不靠譜進行操作。
HMC-AUH320 GaAs HEMT MMIC中等水平工率拖動器可兼容通常的集成塊貼裝措施,及及熱縮小和熱mri線焊,愈來愈適用MCM和混和微電路設計應用。 此頁屏幕上顯示的每個數據資料均是集成塊在50 Ohm環境下運行RF攝像頭接受測定。
|
品牌
|
型號
|
描述
|
貨期
|
庫存
|
|
ADI
|
HMC-AUH320
HMC-AUH320-SX
|
中等功率放大器芯片,71 - 86 GHz
|
現貨
|
233
|
HMC-AUH320應用(yong)
-
短程/高容量鏈路
-
無線LAN網橋
-
汽車雷達
-
軍事和太空
-
E波段通信系統
HMC-AUH320優勢和特點
-
增益: 16 dB (76 GHz)
-
P1dB: +15 dBm
-
電源電壓: +4V
-
50 Ω匹配輸入/輸出
-
裸片尺寸:
2.20 x 0.87 x 0.1 mm
HMC-AUH320結構圖
