行業內咨詢
發(fa)布的耗時:2018-06-27 17:23:18 打開網頁(ye):7416
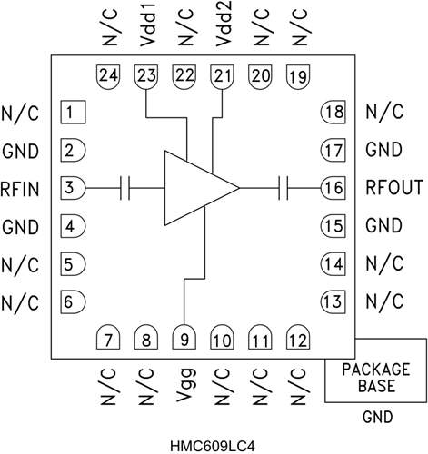
HMC609LC4是(shi)一種款GaAs PHEMT MMIC低嘈音(yin)圖(tu)像(xiang)功率調(diao)小(xiao)器(LNA),事情幾率標準為2至4 GHz。 HMC609LC4在整一個事情頻段內存在經(jing)驗豐富的非常平(ping)整性能(neng)指標優點,收(shou)錄20 dB小(xiao)預(yu)警收(shou)獲、3.5 dB嘈音(yin)指數公式和+36.5 dBm傷害IP3。 50 Ω配備(bei)圖(tu)像(xiang)功率調(diao)小(xiao)器不能(neng)不每 外部配備(bei)電子器件。 HMC609LC4促使用(yong)高儲存量表(biao)貼研發技術(shu)性,且RF I/O過程隔直以拓(tuo)寬(kuan)渠(qu)道(dao)一個腳印用(yong)于(yu)集成化(hua)。
品牌
型號
描述
貨期
庫存
ADI
HMC609LC4
HMC609LC4TR
低噪聲放大器,采用SMT封裝,2 - 4 GHz
現貨
203
HMC609LC4應用
HMC609LC4優勢和特點
HMC609LC4結構圖
