HMC442LM1/HMC442LM1TR工率變大器 ADI現貨交易
發布公(gong)告用時:2018-06-27 16:42:54 搜素:1958
HMC442LM1就是一款帶寬17.5至24 GHz GaAs PHEMT MMIC中級公率擴大器,采取SMT無引腳集成電路心片媒體裝封類型。 LM1采取切實的表貼帶寬直徑波裝封類型,供應低耗損率和非常出色的I/O適配,并做到MMIC集成電路心片使用性能。 該擴大器供應14 dB增加收益,飽和狀態公率為+23 dBm(27% PAE時),電源線額定電壓為+5V。
50 Ω搭配拖動器在RF輸入和輸出精度端上集成型隔直,至關合適用在線性網絡增益值控制器、衛星發射鏈推動器或HMC SMT混頻器LO推動器。 為集成ic和導電連接相溶元件的混用器材,HMC442LM1暫時無法線焊,因此為業主帶來同樣的音頻接口。
|
品牌
|
型號
|
描述
|
貨期
|
庫存
|
|
ADI
|
HMC442LM1
HMC442LM1TR
|
中等功率放大器,采用SMT封裝,17.5 - 24.0 GHz
|
現貨
|
212
|
HMC442LM1應用
HMC442LM1優勢和特點
-
飽和功率: +23 dBm (27% PAE)
-
增益: 14 dB
-
電源電壓: +5V
-
50 Ω匹配輸入/輸出
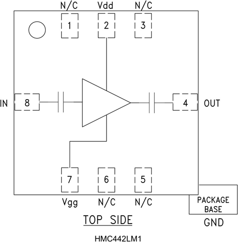
HMC442LM1結構圖
