HMC465LP5/HMC465LP5E/HMC465LP5ETR分布點式驅動安裝變大器 ADI現貨平臺
披(pi)露時(shi)間段:2018-06-26 14:34:00 閱(yue)覽:6841
HMC465LP5(E)就是款GaAs MMIC PHEMT地域分布式存儲控制安裝拖動器,用途5x5 mm無引腳表貼封口,在DC到20 GHz的概率條件內作業。 該拖動器作為15 dB增益控制值、3 dB嘈音彈性系數,飽和模擬輸出瓦數為+25 dBm,用途+8V電源開關時顯卡功耗僅為160 mA。 它有著0.5 dB的精湛增益控制值平整度,在DC至10 GHz的概率條件內與曲線相位的測量誤差為± 4 度,這類特質使HMC465LP5(E)是適OC192網絡光纖LN/MZ熬制器控制安裝拖動器甚至測驗設配用途。 HMC465LP5(E)拖動器I/O的內部搭配50 Ω。
|
品牌
|
型號
|
描述
|
貨期
|
庫存
|
|
ADI
|
HMC465LP5,HMC465LP5E
HMC465LP5ETR,HMC465LP5TR
|
寬帶驅動放大器,采用SMT封裝,DC - 20 GHz
|
現貨
|
203
|
HMC465LP5應用
-
OC192 LN/MZ調制器驅動器
-
微波無線電和VSAT
-
測試儀器儀表
-
軍用EW、ECM和C3I
HMC465LP5優勢和特點
-
增益: 15 dB
-
輸出電壓至10 Vp-p
-
飽和輸出功率: +24 dBm
-
電源電壓: +8V (160 mA)
-
50 Ω匹配輸入/輸出
-
32引腳5x5mm SMT封裝: 25mm2
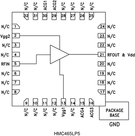
HMC465LP5結構圖
