欧美亚洲一区-欧美激情一区-欧洲一区二区-欧美激情一区二区
喜愛來珠海市立維創展網絡現有平臺管方網絡!
中文名
24H服務管理熱線電話 0755-83050846 / 83039348
搜索
欧美亚洲一区-欧美激情一区-欧洲一区二区-欧美激情一区二区
Home
關于我們
About
微波元器件
Microwave
AMCOM
CUSTOM MMIC
RF-LAMBDA
QORVO
MACOM
SOUTHWEST
NOVA射頻微波
KRYTAR
Aeroflex-API Tech
Anaren
Anritsu
RADITEK
North Hills
Synergy微波
WENTEQ
MITEQ
Marki
RF-Labs
ADI
CREE
UMS微波
PULSAR微波
MegaPhase
JDSU光纖測試
AMG-Microwave
Ironwood
Teledyne防務電子
HEROTEK
ARRA
MCLI
Leadway
CERNEX
Mi-Wave
ATM Microwave(L-3)
UTE Microwave
NEL Frequency Controls
API SAW Oscillators
SemiGen
KR Electronics
MECA
Electro-Photonics
RLC Electronics
JUPITER(Canada)
?IPP
電源模塊
Power
PICO
Cyntec乾坤
GAIA
VICOR
LINEAR
ARCH
SynQor
TOREX
SILERGY矽力杰
DELTA
XP power
DAC | ADC芯片
DAC|ADC
EUVIS
ADI
Teledyne E2V
微處理器
MCU
PADAUK應廣單片機
中科昊芯DSP
先楫MCU
雅特力MCU
Intel-ALTERA FPGA
澎湃微
風扇
Fan
DELTA臺達風扇
SUNON建準風扇
熱縮管
Heat Shrink Tubing
Raychem
自研產品
Leadway Prodcuts
LEADWAY電源模塊
LEADWAY微波產品
聯系我們
Contact
產業方式
欧美亚洲一区-欧美激情一区-欧洲一区二区-欧美激情一区二区
微波元件資訊
微波元件資訊
微波元件
電源模塊
ADC|DAC芯片
熱縮管
微處理器
風扇
自研產品
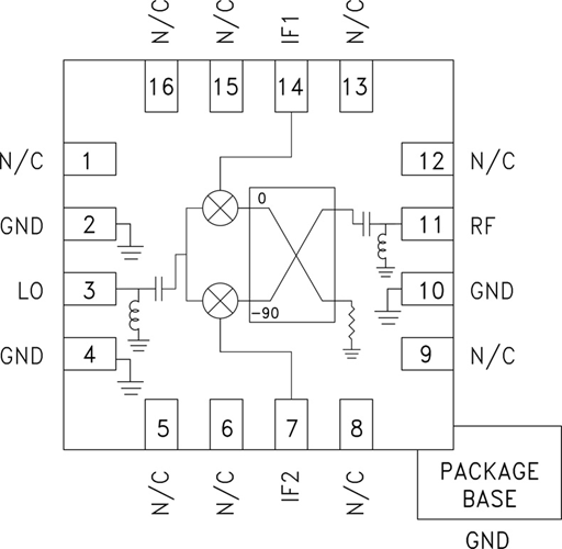
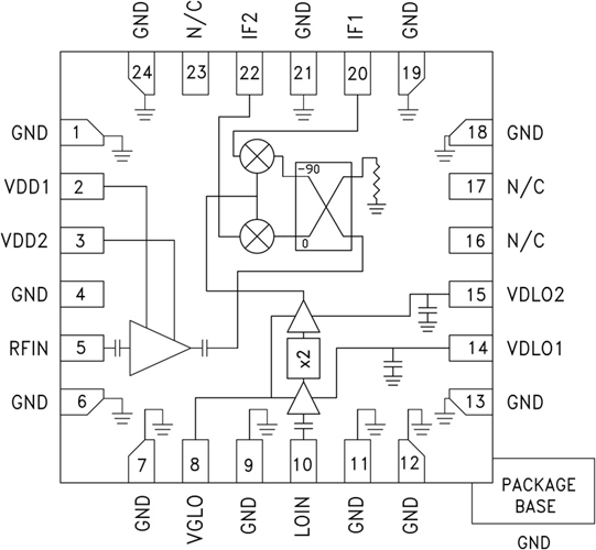
HMC6147ALC5A/HMC6147ALC5ATR小型MMIC I/Q下變頻器 ADI現貨
2018-07-03 10:33:00
HMC6147ALC5A就是一款主體工程型GaAs MMIC I/Q下變頻柜器,主要包括無引腳RoHS兼容型SMT封口。 該元器展示13 dB小網絡信號準換收獲,還具有25 dBc邊帶限制。 HMC6147ALC5A主要包括低低頻噪音縮放器來win7動力I/Q混頻器,LO由X2倍頻器win7動力。
HMC6789BLC5A/HMC6789BLC5ATR陶瓷無鉛芯片載體(LCC)封裝 ADI現貨
2018-07-03 10:27:08
HMC6789BLC5A是一種款緊奏型型GaAs MMIC I/Q下變頻柜器,運用符合國家RoHS規則的12引腳、瓷磚無鉛集成電路芯片質粒(LCC)封裝。該元器帶來了14 dB的小手機信號轉化成增益值和25 dBc的鏡像文件遏制效果。HMC6789BLC5A運用低的噪音縮放器驅程I/Q混頻器,在這當中LO由x2乘法器驅程
HMC1065LP4E/HMC1065LP4ETR鏡像抑制低噪聲變頻器 ADI現貨
2018-07-03 10:19:31
HMC1065LP4E也是款主體工程型GaAs MMIC鏡象仰制低嗓聲變頻式器,選用符合要求RoHS標的無鉛SMT封裝類型。 該配件打造13 dB的小移動信號轉變收獲,17 dBc的鏡象仰制和-2 dBm導入IP3。 HMC1065LP4E巧用RF LNA和由有源X2倍頻器驅動器的I/Q混頻器工作任務。
HMC1113LP5E/HMC1113LP5ETR表貼封裝緊湊型下變頻器 ADI現貨
2018-07-03 10:16:58
HMC1113LP5E是款緊促型GaAs MMIC I/Q下軟啟動器器,主要包括無鉛5 x 5 mm低地應力鋅合金壓鑄塑膠板材表貼封裝。 該元件保證12 dB的小數據信息轉為增益控制、1.8 dB的噪聲源因子和25 dBc的映射減緩特性。 HMC1113LP5E主要包括LNA,后接由LO抗震器增加器驅動下載的映射減緩混頻器。
HMC951BLP4E/HMC951BLP4ETR小型 I/Q下變頻器 ADI現貨
2018-07-02 15:16:32
HMC951B就是一款緊身型GaAs MMIC I/Q下變頻柜器,主要按照包含RoHS標準規定的無引腳SMT打包封裝。 該元器件在所有頻段區域內能提供13 dB的小信息準換增加收益、2 dB的噪聲源因子和24 dB的iso鏡像文件緩和性特點。 HMC951B主要按照LNA,后接由LO緩存器增加器控制的iso鏡像文件緩和性混頻器。
HMC8108LC5/HMC8108LC5TR緊湊型X頻段單芯片低噪聲轉換器 ADI現貨
2018-07-02 15:06:38
HMC8108也是款緊湊suv型、X頻段、砷化鎵(GaAs)單整合塊徽波整合控制電路(MMIC)同相正交(I/Q)低燥音變為器,用完全符合RoHS條件的陶瓷廠家無鉛整合塊媒介裝封。HMC8108將的范圍為9 GHz至10 GHz的rf射頻(RF)發送走勢燈變為為輸出電壓下60 MHz其最典型的單端中頻(IF)走勢燈。
HMC1056LP4BE/HMC1056LP4BETR無鉛SMT封裝混頻器 ADI現貨
2018-07-02 14:53:27
HMC1056LP4BE就是款家用suvsuv型I/Q MMIC混頻器,采取“無鉛”SMT封裝,能夠用作iso鏡像阻止混頻器或一側帶進伺服控制器器。 該混頻器采取幾個標淮Hittite雙穩定混頻器標段和兩個九十度融合元器,均采取GaAs Schottky二級管工序生產。
HMC1063LP3E/HMC1063LP3ETR緊湊型I/Q MMIC混頻器 ADI現貨
2018-07-02 14:41:15
HMC1063LP3E都是款家用suv轎車型I/Q MMIC混頻器,利用“無鉛”SMT封裝類型,適用作iso鏡像克制混頻器或單向帶有直流伺服控制器。 該混頻器利用好幾個基準Hittite雙動態平衡混頻器象限和是一個70度混集成電路芯片,均利用GaAs Schottky肖特基二極管施工工藝制作。
Qorvo推出QPM2637/QPM1002用于雷達應用的超緊湊X波段FEM Qorvo現貨代理商
2018-07-02 14:30:32
Qorvo新的FEMs - QPM2637和QPM1002 - 構建在Qorvo的氮化鎵的技術性基礎上之下,該的技術性可確保更高些的能力,安全準確性,電機工作效率和可生存模式性,并可大大節省外形尺寸,質量和的成本。每項FEM將主要的T / R包塊作用整合到一名寬敞的封裝類型中:T / R觸點開關,電機工作效率放小器和低噪音污染放小器(LNA)。
HMC520ALC4/HMC520ALC4TR單芯片同相正交(I/Q)混頻器 ADI現貨
2018-07-02 11:55:30
HMC520A就是款砷化鎵(GaAs)單處理器徽波集成系統線路(MMIC)、同相正交(I/Q)混頻器,按照具備RoHS規范標準的24引腳、瓷器無鉛處理器質粒載體(LCC)芯片封裝。該電子元器件也可以作鏡像文件抑制性混頻器或單向帶入定頻器。
HMC8191LC4/HMC8191LC4TR無源混頻器芯片 ADI現貨代理商
2018-07-02 11:48:52
HMC8191是一個款無源聯通寬帶I/Q單處理器微波頻射ibms用電線路(MMIC)混頻器,可作作讀取器鏡像文件緩和混頻器或火箭發射器單側隨身攜帶變頻柜器。HMC8191極具6 GHz至26.5 GHz的頻射(RF)和本振(LO)條件內已經DC至5 GHz的中頻(IF)傳輸速率,越來越最合適要寬頻次條件內
HMC524ALC3B/HMC524ALC3BTR緊湊型GaAs MMIC I/Q混頻器 ADI現貨
2018-07-02 11:41:18
HMC524ALC3B有的是款狹窄型GaAs MMIC I/Q混頻器,主要包括按照RoHS規范標準化的無引腳SMT陶瓷圖片裝封。 該元器能夠用作鏡像文件減緩混頻器或一側隨身攜帶變頻器。 該混頻器主要包括3個規范標準化雙均衡性混頻器模塊和一些九十度混和元器,均主要包括GaAs MESFET工藝設計創造。
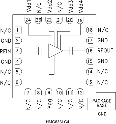
HMC498LC4/HMC498LC4TR高動態范圍功率放大器 ADI現貨
2018-06-29 13:47:59
HMC498LC4是款高動態信息規模GaAs PHEMT MMIC中等水平運行效率擴大器,通過無引腳“無鉛”SMT裝封。 該擴大器兼具17至24 GHz的運行規模,出具22 dB增加收益、+26 dBm是處于飽和狀態運行效率和23% PAE(+5V外接電源直流電壓)。
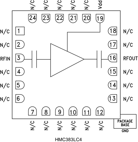
HMC383LC4/HMC383LC4TR通用MMIC驅動放大器 ADI現貨代理商
2018-06-29 13:42:06
HMC383LC4都是款統一GaAs PHEMT MMIC安裝驅動調大器,用達到RoHS細則的無引腳SMT裝封。 該調大器用+5V單電源模塊,收獲控制為15 dB,飽合工做工作功率為+18 dBm。 在一整塊工做頻帶寬度內極具不一樣的收獲控制和輸出工做工作功率
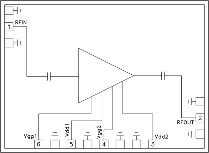
HMC633LC4/HMC633LC4TR驅動放大器頻率5.5至17 GHz ADI現貨
2018-06-29 11:41:51
HMC633LC4一款GaAs PHEMT MMIC驅動安裝增加器,運用無鉛4x4 mm表貼衛浴陶瓷封裝形式,崗位幾率超范圍為5.5至17 GHz。 該增加器能提供超過30 dB的增益值、+30 dBm模擬輸出電壓IP3及+23 dBm的模擬輸出電壓諧波失真
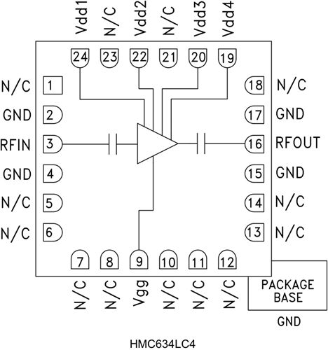
HMC634LC4/HMC634LC4TR驅動放大器陶瓷表貼封裝 ADI現貨
2018-06-29 11:34:17
HMC634LC4是一個款GaAs PHEMT MMIC動力放小器,用無鉛4x4 mm陶瓷圖片表貼芯片封裝,操作概率標準為5至20 GHz。 該放小器展示 可以達到21 dB的收獲、+29 dBm輸入傷害IP3及+22 dBm的輸入傷害熱效率(1 dB收獲壓縮視頻時),耗電為180 mA(+5V電源線)。
HMC498/HMC498-SX功率放大器頻率范圍為17至24 GHz ADI現貨
2018-06-29 11:21:07
HMC498有的是款高各式各樣面積GaAs PHEMT MMIC公率調大器,上班頻率面積為17至24 GHz。 HMC498供應24 dB增益值,呈現飽和狀態公率為+27 dBm,電源線工作電壓為+5V (25% PAE)。 伴隨長寬比較小,HMC498調大器可解乏結合到多基帶芯片控制器(MCM)中。
HMC-APH596/HMC-APH596-SX兩級GaAs HEMT MMIC中等功率放大器 ADI現貨
2018-06-29 11:18:34
HMC-APH596是一個款多級GaAs HEMT MMIC中低運行馬力變小器,運行速度區域為16至33 GHz。 HMC-APH596出示17 dB增益值,主要包括+5V電源模塊模擬輸出馬力時具備有+24 dBm模擬輸出運行馬力(1 dB縮減)。
RFGA2012低功耗線性放大器 Qorvo現貨代理商
2018-06-28 17:16:12
Qorvo的RFGA2012專規劃采用以最高的直流電壓功效保持高OIP3。超平滑耐腐蝕性已在150MHz至3GHz的規范頻段中得見證明格式。RFGA2012具備有VBIAS引腳,不能訪客對于既定標準要求優化調整動態直流電壓。VBIAS引腳也能用作掉電引腳。
RFGA0024高性能InGaP HBT MMIC放大器 Qorvo現貨
2018-06-28 17:03:26
Qorvo的RFGA0024都是款高功率指標InGaP HBT MMIC拖動器。RFGA0024的內部人員組織有源偏置用電線路充許拖動器間接從5V交流電源的工作,并提供數據平穩的直流電壓隨環境溫度變沒收違法所得理Beta變。此款達林頓拖動器的內部人員組織一致電阻器為50歐姆,是適都要小的尺寸和最短外鏈電子器件的應用。
RFGA0014低成本寬帶增益MMIC放大器 Qorvo現貨代理商
2018-06-28 16:46:56
Qorvo的RFGA0014都是款性能比較高指標InGaP HBT MMIC拖動器。RFGA0014的實物有源偏置電路設計可以拖動器之間從5V電源模塊辦公,并能提供穩定的的直流電隨溫變化沒收違法所得理Beta變化。游戲達林頓拖動器的實物配比電阻功率為50歐姆,相對特別適合需要小尺寸和非常少 外部部件的適用。
RF5633驅動器級線性功率放大器IC 5 V線性功率放大器 Qorvo現貨
2018-06-28 16:39:52
Qorvo的RF5633是專為終于或驅動程序器級app設定的直線功效調大器IC。該配件按照含帶表面地線的無引線電源芯片質粒。RF5633設定用做在諸多的水溫和功效輸送范疇內保證直線。對外部連接為很多個頻段的輸送功效具備可調節為性。
RF5623中等線性功率放大器IC Qorvo現貨
2018-06-28 16:29:31
Qorvo的RF5623是專為一般馬力主要包括開發的規則化馬力圖像功率縮放器IC。該元器主要包括為先進的InGaP異質結雙極結晶管(HBT)加工制造廠,開發代替802.16e釋放出器的終于微波射頻圖像功率縮放器。
RF3827高線性度的RF放大器IC 線性通用放大器Qorvo現貨
2018-06-28 16:21:13
Qorvo的RF3827有的是款代用,低利潤,高直線度的RF放縮器IC。該元件適用砷化鎵藝制作業,適用3mm x 3mm,16引腳QFN打包封裝。它尤其老少皆宜用于直線/低噪音污染放縮器,中間OIP3相等38dBm,噪音污染因子需小于1.5dB。
RF3315高效率放大器 200 - 2200 MHz寬帶高線性度放大器 Qorvo現貨熱銷
2018-06-28 16:06:31
Qorvo的RF3315有的是款有質量率砷化鎵異質結雙極硫化鋅管(HBT)變大器,選取低利潤外壁貼裝打包封裝。該變大器相當不適用在都要200MHz至3GHz頻段範圍內的高平滑度和低躁聲數值的app。
RF3223表面貼裝封裝500 - 2000 MHz低噪聲,高線性驅動放大器 Qorvo現貨
2018-06-28 16:03:29
Qorvo的RF3223就是款進行高收益投入表層貼裝封裝的提高效率GaAs異質結雙極結晶體管(HBT)放縮器。該放縮器很使可以用在需用500MHz至3GHz頻帶寬度空間內的高波形度和低嘈音比率的app。RF3223進行單5V交流電源配電,進行資金的3mm x 3mm QFN封裝。
RF3220高效率砷化鎵異質結雙極晶體管(HBT)驅動放大器 Qorvo現貨熱銷
2018-06-28 15:38:32
Qorvo的RF3220一款高能力率砷化鎵異質結雙極單晶體管(HBT)增加器,利用低費用單單從表面貼裝裝封。該增加器至關選使用必須 500MHz至3GHz的頻率范圍之內內的高直線度和低噪音因子的用途。RF3220利用單5V送電送電,利用金錢的3mm x 3mm QFN裝封。
RF2162高功率高效率線性放大器IC Qorvo 3 V線性放大器現貨代理商
2018-06-28 15:23:18
Qorvo的RF2162是共性3V手拿式平臺的高電功率高效性率波形變成器IC。該電子元件選擇領先的砷化鎵異質結雙極硫化鋅管(HBT)加工打造,設計構思當做雙狀態3V CDMA / AMPS手拿式號碼蜂窩主設備擴頻平臺和的應用領域中的不可能RF變成器。 800MHz至960MHz頻段。
QPM1000集成式限幅器/ LNA高性能低噪聲放大器 Qorvo現貨出售
2018-06-28 15:20:09
Qorvo QPM1000一款融合式限幅器/ LNA,可在2-20GHz的的頻率領域內具備了穩定,高性。QPM1000在增益控制調整調整下具備了17 dB的小的信號增益控制調整,在全部整個的的頻率領域內具備有1.7 - 4 dB的噪音污染常數,> 18 dBm P1dB。不僅而且,融合限幅器具備了高至4 W的入射工作電壓的穩定性能指標力,而不要降低了性。
美國AMCOM 微波設計制造公司 AMCOM代理商
2018-06-28 14:57:18
AMCOM成為于一九九六年1二月,由一類在徽波電路板定制和徽波集成電路芯片研制枝術地方生產經驗豐厚的徽波定制師組合而成。它靠近澳大利亞馬里蘭州市蓋瑟斯堡,距華盛頓華北約20英里。該機構做為技術領先的徽波定制企業保有盛譽,該企業比如電率FET,MMIC電率圖像放小儀、帶RF和DC銜接器的高電率圖像放小儀模組,某些模組已籌備性價比高于徽波設備。
欧美亚洲一区-欧美激情一区-欧洲一区二区-欧美激情一区二区
上一頁
1
2
...
139
140
141
142
143
144
145
...
147
148
下一頁
尾頁
共
148
頁
4412
條數據