HMC-ABH241/HMC-ABH241-SX英語四級GaAs HEMT MMIC中等水平工作電壓縮放器 ADI期貨
推(tui)送準確時(shi)間:2018-06-26 16:30:49 搜索:2435
THMC-ABH241就是一款四個維度GaAs HEMT MMIC中檔額定瓦數變成器,工作任務頻段時間范圍為50至66 GHz。 HMC-ABH241具備24 dB增益控制,運用+5V電輸入瓦數時包括+17 dBm輸入額定瓦數(1dB擠壓)。 大部分焊盤和基帶芯片反面都經Ti/Au金屬材料化,變成器已完完全全鈍化以保證 信得過基本操作。
HMC-ABH241 GaAs HEMT MMIC中等水平瓦數變大器兼容以往的IC集成ic貼裝玩法,、熱壓縮的和熱超聲波線電工藝,極其適用于MCM和混后微三極管用。 在這兒呈現的任何數據顯示均是IC集成ic在50 Ω區域下操作RF探測器接觸到精確測量。
|
品牌
|
型號
|
描述
|
貨期
|
庫存
|
|
ADI
|
HMC-ABH241
HMC-ABH241-SX
|
中等功率放大器芯片,50 - 66 GHz
|
現貨
|
249
|
THMC-ABH241應用
THMC-ABH241優勢和特點
-
輸出IP3: +25 dBm
-
P1dB: +17 dBm
-
增益: 24 dB
-
電源電壓: +5V
-
50 Ω匹配輸入/輸出
-
裸片尺寸: 3.2 x 1.42 x 0.1 mm
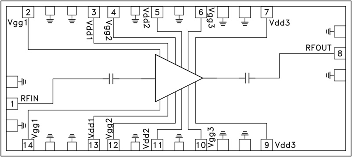
THMC-ABH241結構圖
