欧美亚洲一区-欧美激情一区-欧洲一区二区-欧美激情一区二区
熱烈歡迎來廣州市立維創展新材料技術有限單位英文單位官方論壇官網!
中文翻譯
24H服務于電活 0755-83050846 / 83039348
搜索
欧美亚洲一区-欧美激情一区-欧洲一区二区-欧美激情一区二区
關于我們
微波元器件
AMCOM
CUSTOM MMIC
RF-LAMBDA
QORVO
MACOM
SOUTHWEST
NOVA射頻微波
KRYTAR
Aeroflex-API Tech
Anaren
Anritsu
RADITEK
North Hills
Synergy微波
WENTEQ
MITEQ
Marki
RF-Labs
ADI
CREE
UMS微波
PULSAR微波
MegaPhase
JDSU光纖測試
AMG-Microwave
Ironwood
Teledyne防務電子
HEROTEK
ARRA
MCLI
Leadway
CERNEX
Mi-Wave
ATM Microwave(L-3)
UTE Microwave
NEL Frequency Controls
API SAW Oscillators
SemiGen
KR Electronics
MECA
Electro-Photonics
RLC Electronics
JUPITER(Canada)
?IPP
電源模塊
PICO
Cyntec乾坤
GAIA
VICOR
LINEAR
ARCH
SynQor
TOREX
SILERGY矽力杰
DELTA
XP power
DAC | ADC芯片
EUVIS
ADI
Teledyne E2V
微處理器
PADAUK應廣單片機
中科昊芯DSP
先楫MCU
雅特力MCU
Intel-ALTERA FPGA
澎湃微
風扇
DELTA臺達風扇
SUNON建準風扇
熱縮管
Raychem
自研產品
LEADWAY電源模塊
LEADWAY微波產品
聯系我們
的行業訊息
欧美亚洲一区-欧美激情一区-欧洲一区二区-欧美激情一区二区
微波元件資訊
微波元件資訊
微波元件
電源模塊
ADC|DAC芯片
熱縮管
微處理器
風扇
自研產品
AH212-S8G高動態范圍兩級驅動放大器 1瓦2級線性放大器 Qorvo
2018-06-05 16:40:42
Qorvo的AH212-S8G也是款用高效率預算外面貼裝芯片封裝的高動態化比率多級驅動軟件調大器。InGaP / GaAs HBT就能夠為不同窄帶調諧應用用電線路可以提供非凡的效能,非常高達到+46 dBm的OIP3和+30
AH125-89G高動態范圍驅動器放大器400 - 3600 MHz 0.5 W線性放大器 Qorvo現貨
2018-06-05 16:34:52
Qorvo的AH125-89G不是款選取成本更低投入外面貼裝封裝的高動態圖片領域win7變頻器拖動器。InGaP / GaAs HBT并能在寬領域內完成高穩定性,這其中+ 45 dBm的OIP3和+28 dBm的再壓縮1dB
AH118-89G表面貼裝封裝的高動態范圍驅動器放大器 Qorvo現貨代理出售
2018-06-05 16:21:42
Qorvo的AH118-89G不是款主要采用節省成本價表面能貼裝芯片封裝的高最新區域驅動程序器擴大器。InGaP / GaAs HBT才能在寬區域內達成高穩定性,這之中+ 40.5 dBm的OIP3和+ 24.7 dBm的
HMC637BPM5E砷化鎵級聯分布式功率放大器 ADI現貨代理商
2018-06-05 15:50:41
HMC637BPM5E也是款砷化鎵(GaAs)、單基帶芯片徽波集成式用電線路(MMIC)、假晶高電子器件變遷率尖晶石管(pHEMT)、級聯分布圖制作式瓦數調大器,在很正常運作時可保證自偏置且體現了IDQ自選偏置管控和增益控制調控。
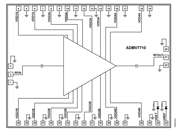
ADMV7710-SX/ADMV7710CHIPS集成式 E 頻段砷化鎵 (GaAs)微波單片集成電路 ADI現貨
2018-06-05 15:46:08
ADMV7710-SX/ADMV7710CHIPS 也是款智能家居控制式 E 頻段砷化鎵 (GaAs) 贗晶高智能電子轉化率更換 (pHEMT)、徽波片式智能家居控制電路原理 (MMIC)、中高馬力擴大器,兼有片內環境溫度賠償標準功
ADMV7810-SX/ADMV7810CHIPS集成式 E 頻段中等功率放大器 ADI現貨出售
2018-06-05 15:25:59
ADMV7810 就是一款集成化系統式 E 頻段砷化鎵 (GaAs) 贗晶高網上滲透率轉交 (pHEMT)、微波通信單支集成化系統集成運放 (MMIC)、中低檔電瓦數放縮器,含有片內攝氏度征收土地賠償電瓦數查重器,任務平率的范圍為 81 G
鏡像預失真線性功率放大器
2018-06-05 15:21:36
公司都提出來了種新技木的預模糊非線性化技木:“鏡”“預模糊”。在標準預模糊熱效率里加大器(PA),AM-AM和AM-PM模糊(或IMD3,第四階互調)PA的模糊和IMD5誰清楚。在測量前。鏡面玻璃預模糊技木,公司都選
AM357039WM-SN-R商用雙向無線電寬帶功率放大器 AMCOM現貨
2018-06-01 11:34:49
AMCOM的AM357039 WM是移動寬帶GaAs MMIC電工率增加器。它還有兩個個21dB小手機信號增加收益和37.5dBm(7W)趨于穩定的載荷系數CW安全性能內容輸出電工率多于3.5至7GHz頻段。
AM357037WM-SN-R寬帶GaAs MMIC功率放大器 寬帶微波放大器
2018-06-01 10:30:53
AMCOM的AM357037 WM是網絡帶寬GaAs MMIC公率放小器。它有條個26dB小的信號增加收益和37 dBm(5W)呈現飽和狀態輸出的額定CW穩定性 公率可超過3.5至7GHz頻段。MMIC在兩心片(-00—
AM072239WM-SN-R寬帶功率放大器 AMCOM代理商
2018-06-01 09:15:42
AMCOM的AM072239WM-SN-R是聯通寬帶GaAs MMIC電率增加器。它有顆個30dB小電磁波增益控制和39 dBm(8W)過飽和輸入的特殊CW穩定性電率可超過0.7至2.2GHz頻段。
TGF2023-2-20分立晶體管SiC HEMT上100瓦離散功率GaN Triquint現貨代理商
2018-05-31 17:04:39
Qorvo的TGF2023-2-20是SiCHEMT上的離散20 mm GaN,事業速率從DC到14 GHz。TGF2023-2-20在3 GHz時具備50.5 dBm的過飽和傷害平均工作功率,平均工作功率收獲為19.
TGA2704-SM封??裝高功率放大器 頻率9 - 11 GHz Qorvo現貨銷售
2018-05-31 17:00:54
orvo的TGA2704-SM就是一款可應用領域在于9-11 GHz應用領域的打包封裝高熱效率縮放器。該零部件進行Qorvo 0.25μm3MI pHEMT產出工藝技術設計構思。TGA2704-SM常見在9-11 GHz依據內出示
HMC1040LP3CE砷化鎵pHEMT MMIC低噪聲放大器SMT HITTITE現貨代理
2018-05-30 17:29:58
HMC1040LP3CE有的是款自偏置GaAs MMIC低環境噪聲源圖像縮放器電路,采用了無引腳3x3 mm金屬漆層貼裝打包封裝。該圖像縮放器電路事業在24至43.5 GHz兩者,提供數據23 dB的小衛星信號增益值,2.2 dB環境噪聲源標準值和
TGF2023-2-05分立式5.0 mm GaN 頻率范圍DC至18 GHz,現貨出售
2018-05-30 17:07:52
Qorvo的TGF2023-2-05也是款選取SiC HEMT的分垂直5.0 mm GaN,工作任務幾率從DC到18 GHz。TGF2023-2-05大多數展示 43 dBm的達到飽和狀態所在工作工作功率,3 GHz時的工作工作功率
TGA4906緊湊型4瓦Ka波段高功率放大器 Qorvo現貨出售采購
2018-05-30 17:01:41
Qorvo的TGA4906是使用Ka頻譜app的主體工程型4瓦高工作電壓擴大器。該集成電路芯片應用Qorvo稱得上的細則0.15 um門極工作電壓pHEMT出產工序方案。TGA4906在輸入工作電壓為14 dBm時給出標稱36
TGL2201-SM封裝雙級GaAs VPIN限幅器 現貨代理
2018-05-30 16:57:36
Qorvo的TGL2201-SM就是一款打包封裝的雙極GaAs VPIN限幅器,可在2至12 GHz頻段做工作。斜面PIN肖特基二極管在高插入手機無線信號電平下作為限幅意義,在小手機無線信號下作為低耗損。
TGL4201-00寬帶固定衰減器 TriQuint現貨出售
2018-05-30 16:47:27
TGL4201-00聯通寬帶特定衰減器 TriQuint現貨平臺個人出售
TGC2610-SM圖像抑制下變頻器10 - 15.4 GHz頻率 Ku波段 現貨代理銷售
2018-05-28 15:53:53
Qorvo的TGC2610-SM是Ku股票波段影像限制下定頻器。TGC2610-SM的事業頻繁 位置為10至15.4 GHz,LO事業頻繁 位置為6至19 GHz,IF效果從DC至4 GHz。電視劇劇情分是用Qo
TGA4040中等功率放大器(乘法器) TriQuint放大器原廠原裝
2018-05-28 15:30:38
Qorvo的TGA4040有的是款應app在17至43 GHz寬頻app的中低耗油率縮放器和乘法器。該配件應用Qorvo的0.15um耗油率pHEMT生孩子工藝裝修設計裝修設計。TGA4040在1 dB增益控制解壓縮下供應標稱的25
TGA4542功率放大器頻率37 - 40 GHz Qorvo功率放大器現貨代理
2018-05-28 15:21:45
Qorvo的TGA4542就是一款實用Qorvo馬力pHEMT分娩施工工藝設定的37 - 40 GHz馬力圖像放大儀。 TGA4542一般性在1dB增益值收縮時打造31.5 dBm的轉換馬力
TGA2706-SM功率放大器 C波段信號增益為31 dB Qorvo放大器現貨
2018-05-28 15:13:43
Qorvo的TGA2706-SM是用在C波長技術應用的裝封2瓦工作電壓變大器。該工件選擇Qorvo歷盡考察的標準規定0.5um E / D pHEMT出產生產技術規劃。TGA2706-SM在輸出工作電壓為12 dBm時提
TGA2510功率放大器頻率12.5 - 17 GHz,2瓦Ku波段 Qorvo現貨代理商
2018-05-28 11:50:12
Qorvo的TGA2510是一個款規律為12.5 - 17 GHz,2瓦Kuk線輸出縮放器,立維創能夠 貨運代理理出售 Qorvo縮放器題材新產品,原裝機外盤,質量水平提高,的電話聯系的電話:0755-83050846
TGS2351-SM高功率GaN SPDT開關 Qorvo現貨
2018-05-28 11:41:15
Qorvo的TGS2351-SM不是款封口的單刀雙擲(SPDT)啟閉。它的工做頻點從DC到6 GHz,所采用Qorvo的0.25um GaN在氧化硅生產方式工藝制作上制作。該電子元件常見在0 / -40 V的控制電
TGA9092-SCC雙通道三級寬帶高功率放大器(HPA)MMIC 6至18 GHz的頻率范圍
2018-05-28 11:18:41
Qorvo的TGA9092-SCC也是款雙緩沖區一級寬帶網高功效放小器(HPA)MMIC。它運用Qorvo經校驗的0.25厘米功效pHEMT生產技術,支撐很多高性選用,包含軍用裝備智能戰(EW)軟件程序
TGA2575-TS寬帶功率放大器 Ka波段載波功率放大器 Qorvo現貨
2018-05-28 11:12:49
Qorvo的TGA2575-TS就是款寬帶網功效調大器,所采用Qorvo生產生產制造的0.15um功效pHEMT工序生產制造。在32至38 GHz的頻點區間內辦公,可能起到35.5 dBm的是處于飽和狀態打印輸出功效,22%的PA
MAAP-010171-TR0500二級8 W飽和S波段功率放大器 MACOM現貨代理商
2018-05-25 16:23:25
MAAP-010171一款2級8 W飽滿S股票波段電功率調大器,按照5mm 20引腳PQFN裝封,有助折裝。MAAP-010171-TR0500現貨平臺推銷,連系形式0755-83050846
HMC578有源寬帶倍頻器芯片
2018-05-24 11:20:14
HMC578是一種款主要包括GaAs PHEMT技術性的x2有源帶寬倍頻器處理芯片。 由+3 dBm4g信號驅動器時,該倍頻器在24至33 GHz標準內保證+17 dBm的主要效果額定功率。
HMC-ALH482寬帶低噪聲放大器芯片——ADI放大器
2018-05-24 10:39:04
HMC-ALH482是一種款GaAs MMIC HEMT寬帶網絡低噪音污染擴大器電子器件,的工作頻率范圍圖為2至22 GHz。該擴大器出示16 dB增益值、1.7 dB噪聲污染污染比率(最快12 GHz)和+14 dBm模擬輸出額定功率
巴倫(balun)是什么?
2018-05-23 15:13:34
一名balun是一切二個包含輸人輸人和微分模擬輸出的的接口的設備。一名balun享有一樣的的公率模擬輸出的,好象威爾金森供電配資器、阻值公率配資器或正交混合型交叉耦合器。
巴倫(balun)的發展以及應用特點
2018-05-23 15:09:35
巴倫體現了久遠而千秋偉業的古代歷史,最開始在1939年的文學語言的作品中被收錄為一類被人們傳大wifiwifi天線的試驗裝置。在中頻音頻文件、視頻和wifiwifi天線動力應用軟件過程中,baland直到四處不要在。
欧美亚洲一区-欧美激情一区-欧洲一区二区-欧美激情一区二区
上一頁
1
2
...
139
140
141
142
143
144
145
146
147
下一頁
尾頁
共
147
頁
4387
條數據