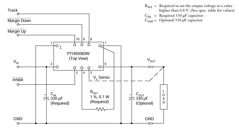
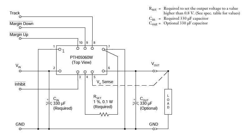
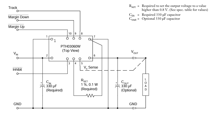
?LWH03060YAH替代PTH03060YAH:高性能電源模塊的優選方案
2025-06-04 16:34:15
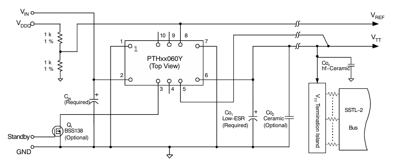
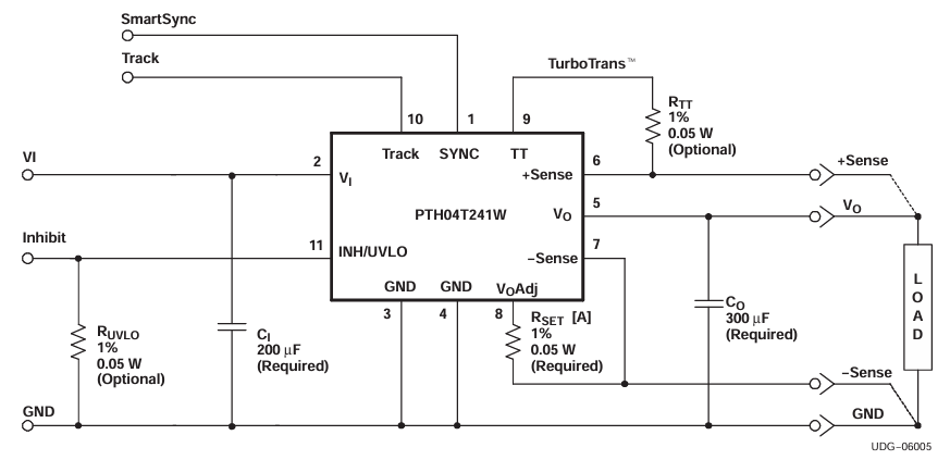
因 PTH03060YAH 供給期時間段延長時間與資金原因,LWH03060YAH 需用為其重復選擇細則,應用在輕工業保持等對準確性和錯誤率條件高的畫面。它主要采用與 PTH03060YAH 相同之處的 10-DIP 打包封裝,電力電氣性能性能指標性能指標相對高度切換,免修改游戲 PCB 布置可以代替。互相,LWH03060YAH 在生態自我調節性上優質,業務體溫範圍更寬、抗不干擾業務能力更強、選擇年限更長,且供給期時間段更短、資金節儉 15%-20%,是工程建設師應該對元電子元件供給起伏的明智的選擇之選 。