HMC461LP3E雙車道MMIC放縮器 1w高IP3放縮器 ADI現貨交易
上線時(shi)長:2018-06-26 11:49:49 閱(yue)讀:1953
HMC461LP3(E)也是款1.7 - 2.2 GHz高打出IP3 GaAs InGaP異質結雙導電性納米線管(HBT)雙安全通道MMIC圖像運放線路原理。 它在單一整合線路原理中,提高好幾個HMC455LP3高IP3驅動器的非線性性能方面,可在穩定動平衡或推挽圖像運放線路原理線路原理中配值。 該圖像運放線路原理提高12 dB的增加收益和+30.5 dBm的過飽和輸出(當PAE為48%時),主要包括+5 Vdc單供電,此外食用穩定動平衡配值的對外部巴倫。
是因為兼備+45 dBm的高讀取IP3,再結合實際1.2:1的低VSWR,從而HMC461LP3(E)成時候PCS/3G無線數字前提生活設施的佳控制變大器。 雙MMIC變大器集成式電路系統進行低費用的無引腳3x3 mm QFN表面上貼裝封裝(LP3)。 LP3出示漏出基極以做到優異的RF和散熱器性能指標。
|
品牌
|
型號
|
描述
|
貨期
|
庫存
|
|
ADI
|
HMC461LP3
|
1瓦特高IP3放大器,采用SMT封裝,1.7 - 2.2 GHz
|
現貨
|
278
|
HMC461LP3應用(yong)
-
多載波系統
-
GSM、GPRS和EDGE
-
CDMA和W-CDMA
-
PHS
-
可配置平衡或推挽
HMC461LP3優勢和特點
-
+45 dBm輸出IP3(平衡配置)
-
增益:12 dB
-
PAE為48%(Pout為+30.5 dBm時)
-
+20 dBm的W-CDMA通道功率(ACP為-45 dBc時)
-
3x3 mm QFN SMT封裝
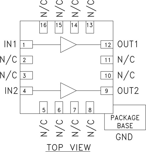
HMC461LP3結構圖
