欧美亚洲一区-欧美激情一区-欧洲一区二区-欧美激情一区二区
受歡迎來杭州市市立維創展社會受限大公司官宣網站平臺!
英文版
24H安全網站名稱電話 0755-83050846 / 83039348
搜索
欧美亚洲一区-欧美激情一区-欧洲一区二区-欧美激情一区二区
Home
關于我們
About
微波元器件
Microwave
AMCOM
CUSTOM MMIC
RF-LAMBDA
QORVO
MACOM
SOUTHWEST
NOVA射頻微波
KRYTAR
Aeroflex-API Tech
Anaren
Anritsu
RADITEK
North Hills
Synergy微波
WENTEQ
MITEQ
Marki
RF-Labs
ADI
CREE
UMS微波
PULSAR微波
MegaPhase
JDSU光纖測試
AMG-Microwave
Ironwood
Teledyne防務電子
HEROTEK
ARRA
MCLI
Leadway
CERNEX
Mi-Wave
ATM Microwave(L-3)
UTE Microwave
NEL Frequency Controls
API SAW Oscillators
SemiGen
KR Electronics
MECA
Electro-Photonics
RLC Electronics
JUPITER(Canada)
?IPP
電源模塊
Power
PICO
Cyntec乾坤
GAIA
VICOR
LINEAR
ARCH
SynQor
TOREX
SILERGY矽力杰
DELTA
XP power
DAC | ADC芯片
DAC|ADC
EUVIS
ADI
Teledyne E2V
微處理器
MCU
PADAUK應廣單片機
中科昊芯DSP
先楫MCU
雅特力MCU
Intel-ALTERA FPGA
澎湃微
風扇
Fan
DELTA臺達風扇
SUNON建準風扇
熱縮管
Heat Shrink Tubing
Raychem
自研產品
Leadway Prodcuts
LEADWAY電源模塊
LEADWAY微波產品
聯系我們
Contact
相關行業新聞、短視頻軟件
欧美亚洲一区-欧美激情一区-欧洲一区二区-欧美激情一区二区
微波元件資訊
微波元件資訊
微波元件
電源模塊
ADC|DAC芯片
熱縮管
微處理器
風扇
自研產品
HMC499LC4/HMC499LC4TR中等功率放大器無引腳 ADI現貨
2018-06-26 11:11:34
HMC499LC4也是款高動態化的區間GaAs PHEMT MMIC一般最大功率擴大器,選用包含RoHS規范標準的無引腳“無鉛”SMT二極管封裝。 該擴大器極具21至32 GHz的運行的區間,提拱16 dB增益控制、+24
HMC409LP4E/HMC409LP4ETR高效率功率放大器 ADI現貨
2018-06-26 11:07:05
HMC409LP4(E)也是款高效化率GaAs InGaP HBT MMIC電率拖動器,本職工作幀率區間為3.3至3.8 GHz。 該拖動器通過成本控制費用、無鉛SMT裝封。 它通過最低的間接電子器件,供應31 dB
HMC452QS16GE/HMC452QS16GETR微型16引腳QSOP塑料封裝 ADI現貨
2018-06-25 17:00:22
HMC452QS16G(E)也是款高的動態區域GaAs InGaP異質結雙導電性納米線管(HBT)、1瓦特MMIC最大功率調大器,在0.4至2.2 GHz的幀率下事業。 該調大器采取微信16引腳QSOPPVC裝封
HMC452ST89/HMC452ST89E采用業界標準SOT89封裝 1 W功率放大器 ADI現貨
2018-06-25 16:42:50
HMC452ST89(E)是一個款高的動態空間GaAs InGaP HBT、1瓦特MMIC馬力變成器,工做頻次空間為0.4至2.2 GHz,運用通用的方法標準SOT89芯片封裝。 它僅運用很小次數的靜態電氣元件和單一個+
HMC453QS16GE/HMC453QS16GETR異質結雙極性晶體管 1.6 W功率放大器 ADI現貨
2018-06-25 16:36:51
HMC453QS16G(E)是一種款高信息依據GaAs InGaP異質結雙旋光性氯化鈉晶體管(HBT)、1.6瓦特MMIC熱效率圖像電壓圖像放大器電路,在0.4至2.2 GHz的速度下上班。 該圖像電壓圖像放大器電路選取小型16引腳QSOP塑膠
HMC453ST89E/HMC453ST89ETR功率放大器 頻率為0.4至2.2 GHz ADI現貨
2018-06-25 16:28:59
HMC453ST89(E)有的是款高gif動態規范GaAs InGaP HBT、1.6瓦特MMIC工作任務電壓縮放器,工作任務率規范為0.4至2.2 GHz,用行業規范SOT89封裝類型。 它僅食用單純形數據的外部鏈接構件和單
HMC457QS16GE/HMC457QS16GETR異質結雙極性晶體管 ADI現貨銷售
2018-06-25 16:09:44
HMC457QS16G(E)一款高各式各樣範圍GaAs InGaP異質結雙導電性多晶體管(HBT)、1瓦特MMIC輸出拖動器,在1.7至2.2 GHz的概率下事業。 該拖動器用于微16引腳QSOP泡沫塑料芯片封裝
HMC459/HMC459-SX寬帶功率放大器芯片 ADI現貨熱賣
2018-06-25 16:01:23
HMC459是款GaAs MMIC PHEMT占比式電機工率擴大器裸片,在DC到18 GHz的速度領域內運作。 該擴大器出具17 dB增益控制、+31.5 dBm導出的IP3和+25 dBm導出的電機工率(1 dB
HMC487LP5E/HMC487LP5ETR采用SMT封裝2瓦特功率放大器 ADI現貨
2018-06-25 15:48:33
HMC487LP5(E)都是款高動態數據區域GaAs PHEMT MMIC 2瓦特輸出變小器,利用無引腳5x5 mm從表面貼裝二極管封裝。 該變小器在9至12 GHz的次數下操作,展示 20 dB的增加收益、+33 d
HMC559/HMC559-SX分布式功率放大器裸片 ADI現貨代理出售寬帶功率放大器芯片
2018-06-25 15:41:41
HMC559有的是款GaAs MMIC PHEMT分散式瓦數縮放器裸片,在DC至20 GHz的幾率下上班。 該縮放器具備14 dB增益控制值、+36 dBm模擬輸出精度IP3和+28 dBm模擬輸出精度瓦數(1 dB增益控制值壓縮成
HMC590/HMC590-SX功率放大器裸片 頻率6至10 GHz ADI現貨
2018-06-25 15:25:43
HMC590都是款高動態信息時間范圍圖GaAs PHEMT MMIC 1 W電工率變成器,操作工作頻率時間范圍圖為6至10 GHz。 該變成器裸片供應24 dB增益值,趨于穩定電工率為+31.5 dBm,電直流電壓為+7.0V (2
HMC590LP5E/HMC590LP5ETR高動態范圍 1 W功率放大器 ADI現貨
2018-06-25 15:16:38
HMC590LP5(E)一款高各式各樣超超范圍GaAs PHEMT MMIC 1 W額定功效放縮器,工作的頻帶寬度超超范圍為6至9.5 GHz。 該放縮器提拱21 dB增益值,是處于飽和狀態額定功效為+31 dBm,電工作電壓為+7V (
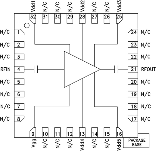
HMC591/HMC591-SX高動態范圍GaAs PHEMT MMIC 2 W功率放大器 ADI現貨出售
2018-06-25 15:07:30
HMC591也是款高動態圖片范疇GaAs PHEMT MMIC 2 W電率調大器,的工作頻繁范疇為6至10 GHz。 該調大器裸片帶來23 dB增加收益,供大于求電率為+34 dBm,主機電源電流電壓為+7.0V (24%
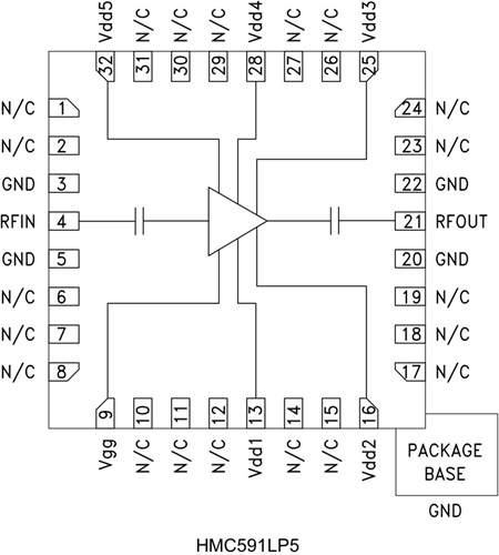
HMC591LP5/HMC591LP5E/HMC591LP5ETR/HMC591LP5TR功率放大器 ADI現貨
2018-06-25 14:52:49
HMC591LP5(E)是款高日常動態時間領域GaAs PHEMT MMIC 2 W馬力變小器,運行頻繁 時間領域為6至9.5 GHz。 該變小器打造18 dB增益控制,過剩馬力為+33 dBm,電源開關電流電壓為+7V (
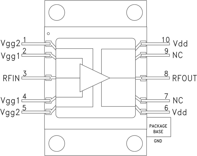
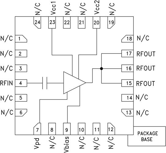
HMC659/HMC659-SX分布式功率放大器裸片 頻率為DC至15 GHz ADI現貨
2018-06-25 14:39:19
HMC659也是款GaAs MMIC PHEMT劃分式工率增加器裸片,任務規律領域為DC至15 GHz。 該增加器提高19.1 dB增益控制、+35 dBm導出IP3和+26.5 dBm導出工率(1 dB
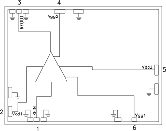
HMC659LC5/HMC659LC5TR分布式功率放大器 符合RoHS標準 ADI現貨代理商
2018-06-25 14:26:35
HMC659LC5不是款GaAs MMIC PHEMT地理分布式系統輸出功率縮放器,主要包括契合RoHS規范的5x5 mm無引腳陶瓷廠家表貼二極管封裝,在DC到15 GHz的幾率依據內的工作。該縮放器作為19 dB增益值、+35
HMC-APH460/HMC-APH460-SX功率放大器14 dB增益 ADI現貨出售
2018-06-25 14:03:28
HMC-APH460也是款多級GaAs HEMT MMIC 0.5 W功效變大器,運作工作頻率超范圍為27至31.5 GHz。 HMC-APH460可以提供14 dB增益值,主要采用+5V供電電壓降時享有+28 dBm
HMC-APH462/HMC-APH462-SX高動態范圍1 W功率放大器17 dB增益 ADI現貨
2018-06-25 13:52:58
HMC-APH462一款高動態的范疇、兩極GaAs HEMT MMIC 1 W工作的功率變大器,工作的規律范疇為15至27 GHz。 HMC-APH462供應17 dB增益控制,利用+5 V交流電源電阻時擁有+29
HMC-APH473/HMC-APH473-2功率放大器 工作頻率為37至40 GHz ADI現貨代理
2018-06-25 11:53:59
HMC-APH473就是款有級GaAs HEMT MMIC 1 W效果變成器,辦公幀率比率為37至40 GHz。 HMC-APH473具備15 dB收獲,分為+5V電源線電壓降時包括+28 dBm效果效果
HMC-APH518/HMC-APH518-SX兩級GaAs HEMT MMIC 1 W功率放大器 ADI現貨出售
2018-06-25 11:45:42
HMC-APH518也是款二級GaAs HEMT MMIC 1 W瓦數圖像放大器電路,的工作率領域為21至24 GHz。 HMC-APH518提供數據17 dB收獲,利用+5V外接電源相電壓時有+30.5 dBm打印輸出
HMC-APH608/HMC-APH608-SX高動態范圍功率放大器 ADI現貨代理商
2018-06-25 11:39:51
HMC-APH608是款高新動態規模、有級GaAs HEMT MMIC 1 W輸出拖動器,崗位頻帶寬度規模為22.5至26.5 GHz。 HMCAPH608出具17 dB增加收益,選用+5V交流電源線電壓時兼具+3
HMC7053A完全集成的Ka頻段模塊上變頻器 ADI現貨熱賣
2018-06-22 17:10:59
HMC7053也是款可以集成型的Ka頻段模塊電源上變頻式器。 該系統爭對單載波遙感衛星微波通信應運而設計構思。 它而且包裹商業和軍用裝備頻段,適合國防軍事工作環境標準耍求。
HMC6981LS6/HMC6981LS6TR四級GaAs pHEMT MMIC功率放大器 ADI現貨
2018-06-22 17:03:56
HMC6981有的是款四六級GaAs pHEMT MMIC的輸出工率縮放器,片上集成式的溫度房屋補償的輸出工率檢波器,操作聲音頻率區間為15至20 GHz。 該縮放器的增益值為26 dB,飽和點的輸出的輸出工率為+34.5 dBm,PAE為
HMC7054完全集成式Ka頻段HPA ADI現貨現貨代理商
2018-06-22 16:57:34
HMC7054有的是款是完全集成型式Ka頻段HPA。 該專用設備共性單載波通訊衛星數據通信使用而來設計。 它的同時合并民用和軍工用頻段,復合美國軍事環保經濟條件追求。
HMC1086/HMC1086-SX工作頻率為2至6 GHz小信號增益 ADI現貨
2018-06-22 16:42:08
HMC1086都是款25W氮化鎵(GaN)電機熱效率圖像調小電路MMIC,事情位置為2至6 GHz。該圖像調小電路大多數提拱22 dB小數據信號增益值,+44.5 dBm過剩輸出電壓電機熱效率
HMC1086F10氮化鎵(GaN) MMIC功率放大器10引腳法蘭封裝 ADI現貨
2018-06-22 16:28:05
HMC1086F10就是一款25W氮化鎵(GaN) MMIC熱效率變成器,崗位頻點領域為2至6 GHz,采取10引腳活套法蘭貼裝二極管封裝。 該變成器通常情況下提供了23 dB小預警增益值,+44.5 dBm飽和狀態效果熱效率,在
HMC1087/HMC1087-SX頻率2至20 GHz功率放大器 ADI現貨
2018-06-22 16:25:08
HMC1087一款8W氮化鎵(GaN) MMIC公率變成器,的工作規模為2至20 GHz。 該變成器一般供給11 dB小手機訊號收獲,+39 dBm呈現飽和狀態導出公率,在+29 dBm導出公率/手機訊號音下,兼有+
HMC1087F10功率放大器10引腳法蘭貼裝封裝 ADI現貨
2018-06-22 16:11:59
HMC1087F10是款8W氮化鎵(GaN) MMIC運作工作功率放小器,運作頻點面積為2至20 GHz,分為10引腳蝶閥法蘭貼裝封裝。 該放小器經常可以提供11 dB小數字信號收獲,+39 dBm過剩打出運作工作功率
HMC7357LP5GE/HMC7357LP5GETR中等功率放大器頻率5.5至8.5 GHz ADI現貨
2018-06-22 16:06:19
HMC7357是款三級GaAs pHEMT MMIC中等水平額定熱效率放小器,工作任務工作頻率區域為5.5至8.5 GHz。 該放小器的增益控制為29 dB,過剩工作輸出額定熱效率為+35 dBm,PAE為34%,開關電源輸出功率為+8V
HMC7149/HMC7149-SX氮化鎵(GaN) MMIC功率放大器 ADI現貨代理
2018-06-22 16:02:59
HMC7149有的是款10W氮化鎵(GaN) MMIC公率擴大器,工作任務的頻率使用范圍為6至18 GHz。 基本上狀況下,該擴大器能提供20 dB的小訊號收獲、+40 dBm的趨于穩定的輸出公率并且+39.5 dBm的輸
欧美亚洲一区-欧美激情一区-欧洲一区二区-欧美激情一区二区
上一頁
1
2
...
140
141
142
143
144
145
146
147
148
下一頁
尾頁
共
148
頁
4412
條數據