HMC-APH403/HMC-APH403-SX3級MMIC中低電功率拖動器 ADI現貨交易
發布(bu)的日子(zi):2018-06-27 17:15:29 觀(guan)看(kan):7031
HMC-APH403有的是款三級分銷GaAs HEMT MMIC中高輸入放縮器,本職工作速率範圍為37至45 GHz。 HMC-APH403供應21 dB收獲,通過+5V電源模塊額定電壓時具有著+23 dBm輸入輸入(1 dB減小)。 各種焊盤和集成ic表面都所經Ti/Au不銹鋼化,放縮器已是鈍化以保證 可以信賴方法。
HMC-APH403 GaAs HEMT MMIC一般公率拖動器兼容傳統文化的心片貼裝的方式,與熱減小和熱超聲心動圖線電焊工藝,無比最適合MCM和混合著微電路板廣泛應用。 在此體現的幾乎所有數據信息均是心片在50 Ω環境下操作RF攝像頭接觸性測是。
|
品牌
|
型號
|
描述
|
貨期
|
庫存
|
|
ADI
|
HMC-APH403
HMC-APH403-SX
|
中等功率放大器芯片,37 - 45 GHz
|
現貨
|
226
|
應該用
HMC-APH403優勢和特點
-
輸出IP3: +32 dBm
-
P1dB: +23 dBm
-
增益: 21 dB
-
電源電壓: +5V
-
50 Ω匹配輸入/輸出
-
裸片尺寸: 2.76 x 1.03 x 0.1 mm
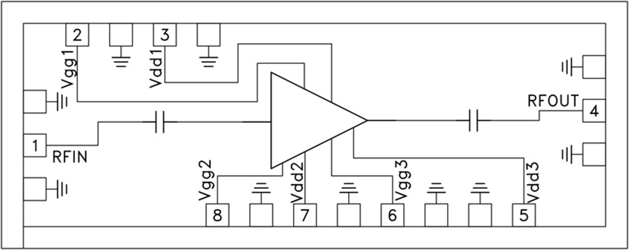
HMC-APH403結構圖
