HMC-APH634兩極GaAs HEMT MMIC中高電機功率放小器 ADI現貨黃金
上線時段:2018-06-26 15:32:54 挑選(xuan):7012
HMC-APH634有的是款多級GaAs HEMT MMIC中低電率增加器,工作上頻繁 條件為81至86 GHz。 HMC-APH634打造12 dB增加收益,利用+4V24v電源時擁有+20 dBm打出電率(1 dB壓解)。 那些焊盤和集成ic后面都過程Ti/Au復合化。 HMC-APH634 GaAs HEMT MMIC中低電率增加器兼容中國傳統的集成ic貼裝辦法,還有熱壓解和熱超聲檢查線焊接藝,非常的合適MCM和混微三極管應用軟件。 此頁體現 的那些數據庫均是集成ic在50 Ω自然環境下用RF溫度探頭玩測出。
|
品牌
|
型號
|
描述
|
貨期
|
庫存
|
|
ADI
|
HMC-APH634
|
中等功率放大器芯片,81 - 86 GHz
|
現貨
|
198
|
適用
HMC-APH634優勢和特點
-
高增益: 12 dB
-
高P1dB: +19 dBm
-
電源電壓: +4V
-
50 Ω匹配輸入/輸出
-
裸片尺寸:
2.57 x 1.70 x 0.05 mm
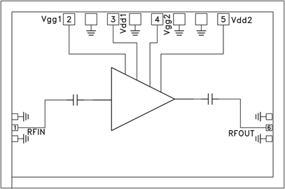
HMC-APH634結構圖
