HMC635LC4/HMC635LC4TR動力調大器裸片 ADI現貨黃金
推出時間:2018-06-27 16:57:25 搜素:1925
HMC635LC4不是款GaAs PHEMT MMIC推動變成器裸片,事情速率超區間為18至40 GHz。 該變成器能帶來18.5 dB的增加收益、+27 dBm內容效果IP3及+22 dBm的內容效果工作任務工作效率(1 dB增加收益解壓縮時),顯卡功耗為280 mA(+5V24v電源)。 HMC635LC4如此符合作徽波遠程電適用的推動變成器,或用到事情速率超區間為18至40 GHz的混頻器LO變成器,可能帶來高達模型+23.5 dBm的供大于求內容效果工作任務工作效率(15% PAE)。 隔直變成器I/O的內部適配50 Ω,如此符合集成式到多電子器件方案(MCM)中。
[1]增益值、熱效率和噪音分貝標準值量測成果早就稅前列支板自然損耗。
|
品牌
|
型號
|
描述
|
貨期
|
庫存
|
|
ADI
|
HMC635LC4
HMC635LC4TR
|
GaAs PHEMT MMIC驅動放大器,18 - 40 GHz
|
現貨
|
237
|
HMC635LC4應用
-
點對點無線電
-
點對多點無線電和VSAT
-
軍事和太空
HMC635LC4優勢和特點
-
增益: 18.5 dB [1]
-
P1dB: +22 dBm [1]
-
輸出IP3: +27 dBm
-
飽和功率:
+23.5 dBm (15% PAE [1])
-
電源電壓: +5V @
280 mA
-
50 Ω匹配輸入/輸出
-
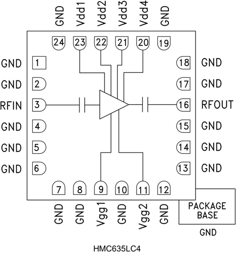
24引腳4x4mm
SMT陶瓷封裝: 16mm2
HMC635LC4結構圖
