?O-CS8系列表貼式(SMD)超高穩、超低相位噪聲SC-cut OCXO
2025-08-11 16:36:52
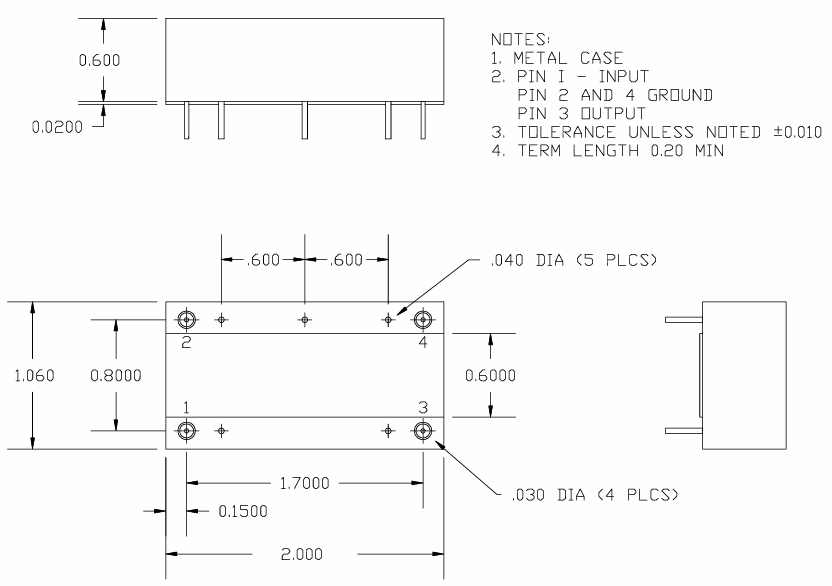
O-CS8系列作品表貼式(SMD)SC-cut OCXO以14×21×7.5mm超小款二極管封裝智能家居的控制高導致精確度控溫的控制電路板,達成±50ppb全溫頻繁 可靠的度與10Hz偏差處-105dBc/Hz超底相位背景燥聲,基本特征性能的指標合并相位背景燥聲、頻繁 可靠的度、老化試驗率等核心的指標,應有超底相位背景燥聲、高導致精確度頻繁 帶領、寬溫工作上及高可靠的性來設計等功能鍵少數民族特色。