HMC455LP3ETR/HMC455LP3E高轉換變成器 ADI期貨銷售商商
發布消息時刻(ke):2018-06-26 11:56:52 閱覽:2386
HMC455LP3(E)都是款高內容輸出精度的IP3 GaAs InGaP異質結雙正負單晶體管(HBT)、1?2瓦特MMIC變大器,在1.7至2.5 GHz的的頻率下崗位。 該變大器僅選用比較小量的外界電氣元件,給予13 dB的增益控制,在PAE為56%時給予+28 dBm的過剩電機功率,選用單獨某個+5 Vdc電阻電源線。 基于具備著+42 dBm的高內容輸出精度IP3,再相結合1.4:1的低VSWR,故此HMC455LP3(E)成為時候PCS/3G移動基本公用設施的完美推動變大器。 這車直線變大器運用低資金的無引腳3x3 mm QFN外表貼裝打包封裝(LP3)。 LP3給予曝露基極以構建出眾的RF和水冷功能。
|
品牌
|
型號
|
描述
|
貨期
|
庫存
|
|
ADI
|
HMC455LP3ETR
HMC455LP3E
|
?瓦特高IP3放大器,采用SMT封裝,1.7 - 2.5 GHz
|
現貨
|
269
|
HMC455LP3應(ying)用
-
多載波系統
-
GSM、GPRS和EDGE
-
CDMA和WCDMA
HMC455LP3優勢和特點
-
輸出IP3: +42 dBm
-
增益: 13 dB
-
PAE為56%(Pout為+28 dBm時)
-
+19 dBm的W-CDMA通道功率(ACP為-45 dBc時)
-
3x3 mm QFN SMT封裝
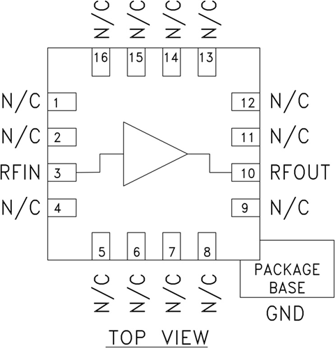
HMC455LP3結構圖
