HMC-APH196/HMC-APH196-SX兩極中低功效變小器 ADI外盤
頒(ban)布時(shi)間間隔:2018-06-26 16:40:28 手(shou)機瀏覽:2207
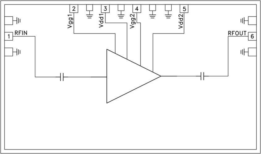
HMC-APH196就是一款兩極GaAs HEMT MMIC中低檔功效增加器,辦公概率區域為17至30 GHz。 HMC-APH196在20 GHz下可以提供20 dB增益控制,通過+4.5V24v電源電阻值時兼有+22 dBm輸出精度功效(1 dB降低)。 很多焊盤和處理器上面都經由Ti/Au黑色金屬化,增加器已完整鈍化以構建可以信賴運行。
HMC-APH196 GaAs HEMT MMIC適中瓦數擴大器兼容傳統藝術的電子器件貼裝方式英文,、熱解壓縮和熱多普勒彩超線焊接工藝藝,如此很適合MCM和比調微電路系統應用領域。 在這兒呈現的很多數據統計均是電子器件在50 Ω情況下應用RF溫度探頭接處精確測量。
|
品牌
|
型號
|
描述
|
貨期
|
庫存
|
|
ADI
|
HMC-APH196
HMC-APH196-SX
|
中等功率放大器芯片,17 - 30 GHz
|
現貨
|
249
|
HMC-APH196應用
HMC-APH196優勢和特點
-
輸出IP3: +31 dBm
-
P1dB: +22 dBm
-
增益: 20 dB (20 GHz)
-
電源電壓: +4.5V
-
50 Ω匹配輸入/輸出
-
裸片尺寸: 3.3 x 1.95 x 0.1 mm
HMC-APH196結構圖
