HMC685LP4E/HMC685LP4ETR高gif動態區域ibmsLO擴大器 ADI現貨交易
更新時:2018-07-05 11:41:27 訪問 :2117
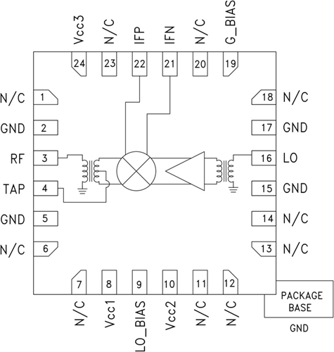
HMC685LP4(E)是款高日常動態領域無源MMIC混頻器,智能家居控制LO變大器,用于4x4 SMT QFN打包封裝,崗位頻繁為1.7 - 2.2 GHz。 LO控制為0 dBm時,3G和4G GSM/CDMA應運能能得到 +32 dBm的突出搜索IP3下定頻耐熱性。 用于1 dB (+27 dBm)收縮時,RF端口號可以各種各樣搜索數據信號電平。 轉換成損失非常典型數值8 dB。 DC至500 MHz的IF頻繁出現異常可以充分考慮GSM/CDMA散發或接收到頻繁總體規劃規范要求。 HMC685LP4(E)與HMC684LP4(E)引腳兼容,普通地區是款智能家居控制LO變大器的700 - 1,000 MHz混頻器。
|
品牌
|
型號
|
描述
|
貨期
|
庫存
|
|
ADI
|
HMC685LP4E
HMC685LP4ETR
|
集成LO放大器的BiCMOS混頻器,1.7 - 2.2 GHz
|
現貨
|
158
|
HMC685LP4應(ying)用
-
蜂窩/3G和LTE/WiMAX/4G
-
基站和中繼器
-
GSM、CDMA和OFDM
-
發射機和接收機
HMC685LP4優勢和特點
-
高輸入IP3:+35 dBm
-
8 dB轉換損耗(0 dBm LO)
-
針對低端LO輸入優化
-
可調電源電流
-
上變頻和下變頻應用
-
24引腳4x4mm SMT封裝:16mm2
HMC685LP4結構圖
