HMC404/HMC404-SX集成系統LO增加器心片 ADI現貨黃金
推(tui)出精(jing)力(li):2018-07-06 13:51:03 閱(yue)覽:2928
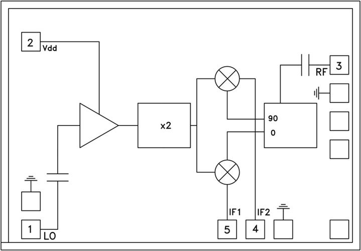
HMC404電子電子元器件有的是款模塊化LO拖動器的次諧波(x2) MMIC鏡像文件文件壓制混頻器,可以用作上變頻器或下變頻器。 該電子電子元器件應用GaAs PHEMT科技,電子電子元器件整體結構規模為2.31mm2。 片內90°分層電子元器件給出表現出色的震幅和相位取舍效果,鏡像文件文件壓制少于22 dB。 LO拖動器選取單偏置(+4V)雙極裝修設計,僅需+2 dBm的標稱驅動下載。
|
品牌
|
型號
|
描述
|
貨期
|
庫存
|
|
ADI
|
HMC404
HMC404-SX
|
GaAs MMIC次諧波IRM混頻器芯片,26 - 33 GHz
|
現貨
|
238
|
HMC404應用
-
26至33 GHz微波無線電
-
針對點對點無線電應用的上下變頻器
HMC404優勢和特點
-
集成LO放大器: +2 dBm輸入
-
次諧波(x2) LO
-
鏡像抑制: 22 dB
-
小尺寸: 1.90 x 1.25 mm
HMC404結構圖
