行業領域快訊
披露準確(que)時間(jian):2018-07-03 13:48:22 預(yu)覽:1993
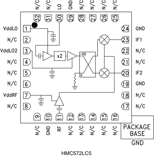
該鏡像抑制混頻器使得LNA之后無需使用濾波器,并可消除鏡像頻率下的熱噪聲。 它具有I和Q混頻器輸出,所需外部90°混合型器件用于選擇所需邊帶。立維創展 ADI現(xian)貨黃金 HMC572LC5為(wei)混(hun)(hun)合(he)型(xing)鏡像抑制混(hun)(hun)頻器下變(bian)頻器組件(jian)的小型(xing)替代器件(jian),它無需線焊,可以使用(yong)表貼制造技術(shu)。
| 品牌 | 型號 | 描述 | 貨期 | 庫存 |
| ADI |
HMC572LC5 HMC572LC5TR |
I/Q接收機,采用SMT封裝,24 - 28 GHz | 現貨 | 156 |
HMC572LC5優勢和特點
