HMC666LP4E/HMC666LP4ETR高日常動態范圍內無源MMIC混頻器 ADI現貨黃金
分享時(shi)長:2018-07-05 10:48:57 查(cha)看:7374
HMC666LP4(E)就是款高動態圖范圍圖無源MMIC混頻器,集成式LO圖像運放電路,選取4x4 SMT QFN封裝類型,辦公頻點為3.1 - 3.9 GHz。 該元件重要性WiMAX和比較固定手機無線技術使用展示 +31 dBm的不錯設置IP3性能參數以做好下交流變頻,LO推動為0 dBm。 LO端口號重要性同價位LO技術使用SEO。
RF網口的顯示1 dB擠壓為+23 dBm,可支撐寬范疇顯示衛星信號電平。 轉變成衰減典例臨界值9 dB。 該電子器件的DC至800 MHz IF概率出現異常能夠滿足WiMAX衛星發射或吸收概率規模特殊要求。 立維創展HMC666LP4(E)與HMC688LP4(E)引腳兼容,后面就是一款2.0 - 2.7 GHz混頻器,結合LO變大器。
|
品牌
|
型號
|
描述
|
貨期
|
庫存
|
|
ADI
|
HMC666LP4E
HMC666LP4ETR
|
集成LO放大器的SMT BiCMOS混頻器,3.1 - 3.9 GHz
|
現貨
|
235
|
應該用
-
WiMAX/4G與固定無線
-
基礎設施與中繼器
-
發射機與接收機
-
測試和測量設備
HMC666LP4E優勢和特點
-
高輸入IP3: +31 dBm
-
低轉換損耗: 9 dB
-
低LO驅動: 0 dBm
-
上變頻與下變頻應用
-
針對低端LO輸入優化
-
24引腳、4x4mm SMT封裝: 16mm2
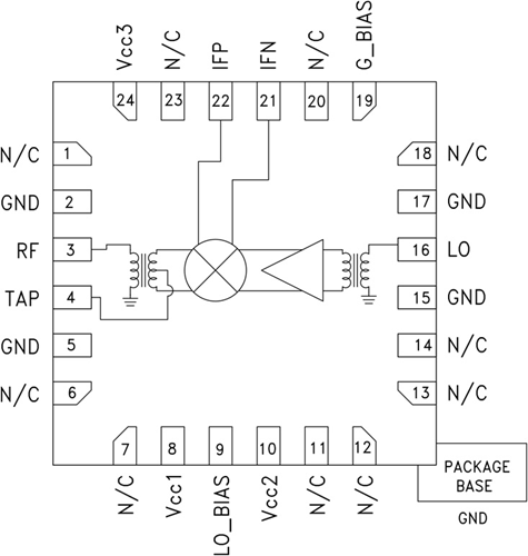
HMC666LP4E結構圖
