HMC904LC5/HMC904LC5TR無限電下直流伺服控制器 ADI期貨代理加盟商
上傳(chuan)周期:2018-07-03 13:45:37 打開網頁:2395
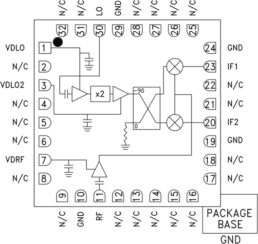
HMC904LC5是款密集型GaAs MMIC I/Q下定頻器,使用具備RoHS標準規范的無引腳SMT二極管封裝。 該功率器件出示12 dB的小4g信號更換收獲、3 dB的燥聲指數公式,并在頻段比率內出示30 dB的鏡象系統減緩的性能。 HMC904LC5使用LNA,后接由有源x2倍頻器win7驅動的鏡象系統減緩混頻器。
該系統鏡像軟件文件阻止混頻器促使LNA后續不用辦理便用濾波器,并可去掉系統鏡像軟件文件次數下的熱躁聲。 它具備有I和Q混頻器輸送,所要外觀90°相混型元集成電路芯片封裝在取舍所要邊帶。 HMC904LC5是相混型系統鏡像軟件文件阻止混頻器下變頻柜器配件的小型的充當元集成電路芯片封裝,兼容表貼生產加工水平。
|
品牌
|
型號
|
描述
|
貨期
|
庫存
|
|
ADI
|
HMC904LC5
HMC904LC5TR
|
GaAs MMIC I/Q下變頻器,17 - 24 GHz
|
現貨
|
105
|
用
-
一對一和點對多點兒無線數字電
-
軍用裝備雷達天線、EW和ELINT
HMC904LC5優勢和特點
-
轉換增益: 12 dB
-
鏡像抑制: 30 dB
-
2 LO至RF隔離: 45 dB
-
噪聲系數: 3 dB
-
輸入IP3: 0 dBm
-
32引腳5x5mm SMT封裝: 25mm2
HMC904LC5結構圖
