欧美亚洲一区-欧美激情一区-欧洲一区二区-欧美激情一区二区

HMC785LP4E/HMC785LP4ETR無源MMIC混頻器 ADI現貨黃金 蜂窩集成化LO拖動器

更新準(zhun)確時(shi)間:2018-07-05 10:33:34     瀏覽網(wang)頁:6849

HMC785LP4E是一款集成LO放大器的(de)(de)高動態范圍(wei)無源MMIC混頻(pin)(pin)(pin)器,采用(yong)4x4 SMT QFN封裝,工作頻(pin)(pin)(pin)率范圍(wei)為(wei)1.7至2.2 GHz。 LO驅動為(wei)0 dBm時,3G和4G GSM/CDMA應用(yong)具有+38 dBm的(de)(de)出色輸(shu)入(ru)IP3下變頻(pin)(pin)(pin)性(xing)能(neng)。 采用(yong)1dB (+26 dBm)輸(shu)入(ru)壓縮時,RF端口(kou)支持各種輸(shu)入(ru)信(xin)號電平(ping)。 轉換(huan)損耗(hao)為(wei)8 dB(典型值)。 高達300 MHz的(de)(de)IF頻(pin)(pin)(pin)率響應可(ke)滿足GSM/CDMA發射(she)或接(jie)收(shou)頻(pin)(pin)(pin)率計(ji)劃要(yao)求。 立維創展HMC785LP4E針對1.7 - 2.2 GHz RF頻(pin)(pin)(pin)段(duan)低(di)端LO頻(pin)(pin)(pin)率計(ji)劃進行了優化,并與HMC685LP4E引腳兼容。

品牌 型號 描述 貨期 庫存
ADI HMC785LP4E
HMC785LP4ETR
集成LO放大器的BiCMOS混頻器,1.7 - 2.2 GHz 現貨 112


適用


  • 蜂窩/3G和LTE/WiMAX/4G
  • 基站和中繼器
  • GSM、CDMA和OFDM
  • 發射器和接收機




HMC785LP4E優勢和特點

  • 高輸入IP3: +38 dBm
  • 8 dB轉換損耗(0 dBm LO)
  • 針對低端LO輸入優化
  • 可調電源電流
  • 24引腳4x4mm QFN封裝: 16mm2


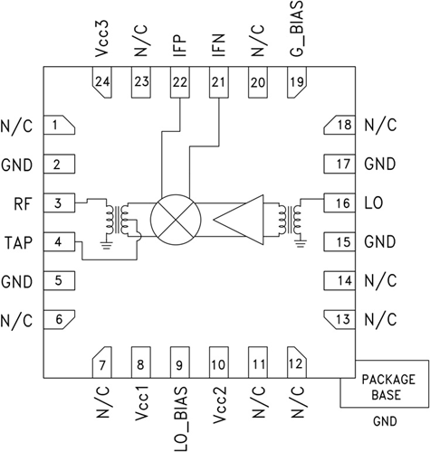
HMC785LP4E結構圖



安利快訊
  • 關于THUNDERLINE-Z產品申明
    關于THUNDERLINE-Z產品申明 2020-10-14 15:54:05 南京市立維創展科技信息有限制的實業欧美亚洲一区-欧美激情一区-欧洲一区二区-欧美激情一区二区,是韓國THUNDERLINE-Z & Fusite該品牌在國內國家的代理權銷售代理商,其五金鋼化玻璃密封帶接線端子排,已非常廣泛軟件于航天工程、俄羅斯軍事、光纖通信等高耐用性領域行業。
  • ?ECLB75W-24S12隔離型 DC-DC 轉換器模塊現貨庫存
    ?ECLB75W-24S12隔離型 DC-DC 轉換器模塊現貨庫存 2025-08-18 16:37:02 ECLB75W-24S12 是 CINCON 上線的 ECLB75W 一系列要進行隔離型 DC-DC 轉換成器功能,額定的耗油率 75W,輸人電阻 9 - 36VDC(4:1 寬使用范圍),工作輸出 12V/6.25A(單路),享有工作輸出精準度±1%、典型案例熱效率 91%等重要的規格參數,還掌握逐步完善的保護好程序。