業內新聞資訊
正式發布時段:2018-07-05 11:08:07 訪問(wen) :1977
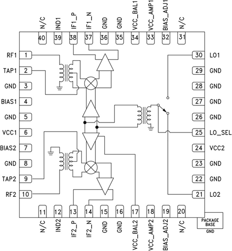
HMC683LP6C(E)是一款高線性度、雙通道下(xia)變(bian)頻(pin)器,集(ji)成LO放大(da)器,采用6x6 SMT QFN封裝,工(gong)作(zuo)頻(pin)率(lv)為0.7 - 1.0 GHz。 LO驅動為0 dBm時,3G和4G GSM/CDMA應用可以獲得+23 dBm的出(chu)色(se)輸入IP3下(xia)變(bian)頻(pin)性能。 采用1 dB (+11 dBm)壓縮時,RF端(duan)口支持各(ge)種輸入信(xin)號電平。立維創展HMC683LP6C 轉換(huan)增(zeng)益典型值為7.5 dB。 60 - 500 MHz的IF頻(pin)率(lv)響應能夠滿足(zu)各(ge)種GSM/CDMA接收頻(pin)率(lv)規劃要求。
| 品牌 | 型號 | 描述 | 貨期 | 庫存 |
| ADI |
HMC683LP6CE HMC683LP6CETR |
高IP3雙通道下變頻器SMT,集成LO開關,0.7 - 1.0 GHz | 現貨 | 223 |
HMC683LP6CE操作(zuo)
HMC683LP6CE優勢和特點
HMC683LP6CE結構圖
