餐飲行業資迅
發布了時長:2018-07-05 10:57:04 查詢:2474
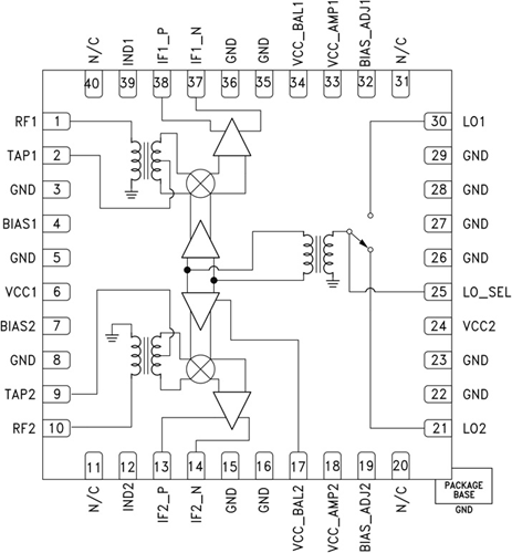
HMC682LP6C(E)是(shi)一款高線性度、雙通道下(xia)(xia)變(bian)頻器,集成LO放(fang)大器,采用6x6 SMT QFN封(feng)裝,工作頻率(lv)為(wei)1.7 - 2.2 GHz。 該器件針對(dui)3G和4G GSM/CDMA應用提供+25 dBm的(de)出色輸(shu)入(ru)IP3性能以進行下(xia)(xia)變(bian)頻,LO驅動為(wei)0 dBm。立維創展(zhan) HMC682LP6C(E)RF端口的(de)輸(shu)入(ru)1 dB壓縮為(wei)+15 dBm,可支(zhi)持寬(kuan)范圍輸(shu)入(ru)信(xin)號電平(ping)。 轉換(huan)增(zeng)益典型值為(wei)6 dB。 60 - 400 MHz IF頻率(lv)響應滿足各(ge)種GSM/CDMA接收頻率(lv)規劃要求。
| 品牌 | 型號 | 描述 | 貨期 | 庫存 |
| ADI |
HMC682LP6CE HMC682LP6CETR |
高IP3雙通道下變頻器,采用SMT封裝,集成LO開關 ,1.7 - 2.2 GHz |
現貨 | 258 |
HMC682LP6CE應(ying)用(yong)領(ling)域
HMC682LP6CE優勢和特點
