HMC6146BLC5A/HMC6146BLC5ATR無線wifi電可調增益值上變頻器 ADI現貨平臺
分(fen)享周(zhou)期:2018-07-04 10:06:39 挑選:6780
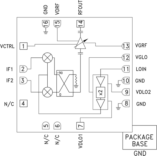
HMC6146BLC5A不是款狹窄型GaAs MMIC I/Q可變氣門正時氣門正時收獲調整調整上交流abb變頻器,分為無引腳RoHS兼容型SMT封裝類型。 該元件具備12 dB小數據轉移收獲調整調整,體現了25 dBc邊帶調節和17 db收獲調整調整調整。 HMC 6146BLC5A分為RF可變氣門正時氣門正時收獲調整調整圖像放大電路,在其前面為個I/Q混頻器,LO由X2倍頻器安裝驅動。 具備IF1和IF2混頻器輸人,還有可完成異常90°混合法選澤必備邊帶。
I/Q混頻器拓補削減了對于干預邊帶實行濾波的符合要求。 HMC6146BLC5A是一種款更精巧、行充當搭配單側加上直流三菱變頻器的廠品,支撐表貼加工技術性,不用再線焊。
|
品牌
|
型號
|
描述
|
貨期
|
庫存
|
|
ADI
|
HMC6146BLC5A
HMC6146BLC5ATR
|
GaAs MMIC I/Q上變頻器,40 - 44 GHz
|
現貨
|
198
|
HMC6146BLC5A應用
-
點對點與
點對多點無線電
-
軍用雷達、EW與ELINT
-
衛星通信
HMC6146BLC5A優勢和特點
-
轉換增益:12 dB
-
邊帶抑制:25 dBc
-
2LO至RF隔離:15 dB
-
高輸出IP3:+27 dBm
-
16引腳5x5 mm陶瓷封裝:25 mm2
HMC6146BLC5A結構圖
