市場訊息
推出(chu)事(shi)件:2018-07-05 10:41:08 瀏覽器:2529
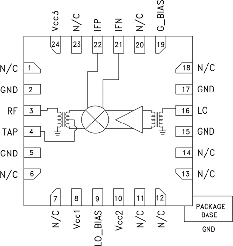
HMC786LP4E是一款集成LO放大器的高動態范圍無源MMIC混頻器,采用4x4 SMT QFN封裝(zhuang),工作頻率范圍為(wei)0.7至1.1 GHz。 LO驅動為(wei)0 dBm時,3G和(he)4G GSM/CDMA應用具(ju)有(you)+40 dBm的(de)出色輸入IP3下變頻性能。 采用1dB (+25 dBm)輸入壓縮時,RF端(duan)口支持(chi)各種輸入信號(hao)電平。 轉(zhuan)換損耗為(wei)7.5 dB(典(dian)型(xing)值)。 高達250 MHz的(de)IF頻率響(xiang)應可滿足GSM/CDMA發射或接收頻率計劃(hua)要(yao)求(qiu)。 立維創(chuang)展HMC786LP4E針對0.7 - 1.1 GHz RF頻段(duan)高端(duan)LO頻率計劃(hua)進行了優(you)化,并與HMC686LP4E引腳兼容。
| 品牌 | 型號 | 描述 | 貨期 | 庫存 |
| ADI |
HMC786LP4E HMC786LP4ETR |
集成LO放大器的BiCMOS混頻器,0.7 - 1.1 GHz | 現貨 | 105 |
HMC786LP4E應用
HMC786LP4E優勢和特點
