服務業快訊
發布(bu)公告(gao)時:2018-06-25 14:52:49 閱讀:2022
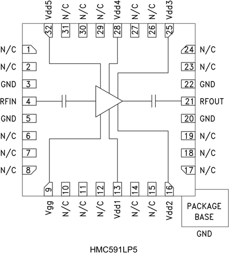
HMC591LP5(E)有的是款高動態(tai)化的范圍內(nei)(nei)(nei)GaAs PHEMT MMIC 2 W事業額定(ding)功率(lv)放(fang)小(xiao)(xiao)器(qi)(qi),事業率(lv)的范圍內(nei)(nei)(nei)為6至9.5 GHz。 該放(fang)小(xiao)(xiao)器(qi)(qi)展(zhan)(zhan)示(shi)(shi) 18 dB增加(jia)收益,飽合事業額定(ding)功率(lv)為+33 dBm,開關電源電壓降為+7V (19% PAE)。 此放(fang)小(xiao)(xiao)器(qi)(qi)配備(bei)50 Ω,無須(xu)其他內(nei)(nei)(nei)部組件(jian),RF I/O經過了隔直,以(yi)(yi)展(zhan)(zhan)示(shi)(shi) 維持的機械性能(neng)。 對於(wu)必(bi)須(xu) 最(zui)適宜OIP3的操(cao)(cao)作,Idd應快速裝置為940 mA以(yi)(yi)制(zhi)(zhi)造了+41 dBm OIP3。 對於(wu)必(bi)須(xu) 最(zui)適宜輸出P1dB的操(cao)(cao)作,Idd應快速裝置為1,340 mA以(yi)(yi)制(zhi)(zhi)造了+33 dBm輸出P1dB。
品牌
型號
描述
貨期
庫存
ADI
HMC591LP5,HMC591LP5E
HMC591LP5ETR,HMC591LP5TR
2 W功率放大器,采用SMT封裝,6.0 - 9.5 GHz
現貨
158
HMC591LP5優勢和特點
+33 dBm (20% PAE)
