HMC409LP4E/HMC409LP4ETR高效性率額定功率變小器 ADI現貨黃金
更新時刻:2018-06-26 11:07:05 瀏覽網(wang)頁:7547
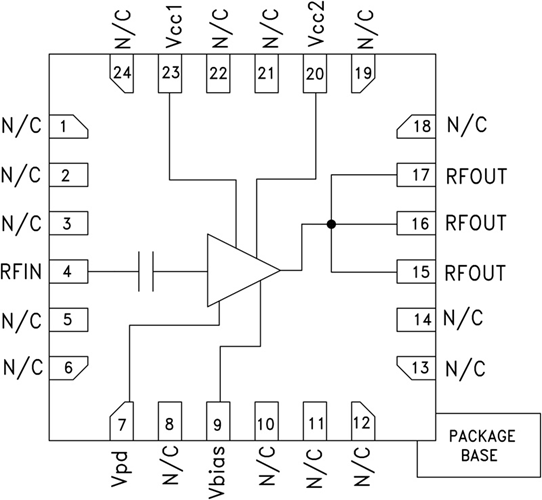
HMC409LP4(E)是一種款質量高率GaAs InGaP HBT MMIC本職工作電公率縮放器,本職工作概率規模為3.3至3.8 GHz。 該縮放器應用低總成本、無鉛SMT二極管封裝。 它應用合適的外面元器件封裝,展示31 dB增加收益,呈現飽和狀態本職工作電公率為+32.5 dBm,電直流電壓值為+5V。 本職工作電公率掌控(Vpd)可以用在于全低耗電模式英文或RF讀取的本職工作電公率/直流電壓掌控。 談談+22 dBm OFDM讀取的本職工作電公率(64 QAM, 54 Mbps),HMC409LP4(E)可達成2%的隨機誤差失量力度(EVM),進而提供WiMAX 802.16波形度標準要求。
|
品牌
|
型號
|
描述
|
貨期
|
庫存
|
|
ADI
|
HMC409LP4E
HMC409LP4ETR
|
1 W功率放大器SMT,3.3 - 3.8 GHz
|
現貨
|
237
|
HMC409LP4應用
-
WiMAX 802.16
-
固定無線接入
-
無線本地環路
HMC409LP4優勢和特點
-
增益: 31 dB
-
40% PAE (+32.5 dBm pout)
-
2% EVM (Pout = +22 dBm)
具有54 Mbps OFDM信號
-
+46 dBm輸出IP3
-
集成功率控制(Vpd)
-
+5V單電源
HMC409LP4結構圖
