HMC659LC5/HMC659LC5TR分布范圍式耗油率調小器 符合要求RoHS規則 ADI現貨交易代里商
發部時刻:2018-06-25 14:26:35 訪問:7997
HMC659LC5有的是款GaAs MMIC PHEMT分布不均式工做馬力調大器,選取包含RoHS標準的的5x5 mm無引腳衛浴陶瓷表貼芯片封裝,在DC到15 GHz的率面積內工做。該調大器帶來了19 dB收獲值、+35 dBm內容導出IP3和+27.5 dBm內容導出工做馬力(1 dB收獲值再壓縮),輸出功率為300mA(選取+8V主機電源)。
HMC659LC5在DC - 15 GHz區域內帶來了±0.7 dB的出眾的增加收益陡峭度,因其尤其適合EW、ECM、統計和軟件測試主設備應該用。HMC659LC5擴大器I/O內相匹配50 Ω,不需對外部開關元件。HMC659LC5與高余量表貼手工制造技術兼容。
|
品牌
|
型號
|
描述
|
貨期
|
庫存
|
|
ADI
|
HMC659LC5
HMC659LC5TR
|
功率放大器,采用SMT封裝,DC - 15 GHz
|
現貨
|
173
|
HMC659LC5應用
-
電信基礎設施
-
微波無線電和VSAT
-
軍事和太空
-
測試儀器儀表
-
光纖產品
HMC659LC5優勢和特點
-
P1dB輸出功率:+27.5 dBm
-
增益:19 dB
-
輸出IP3:+35 dBm
-
電源電壓:+8V(300 mA時)
-
50 Ω匹配輸入/輸出
-
32引腳陶瓷5x5mm
SMT封裝:25mm2
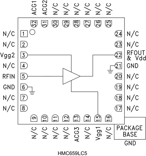
HMC659LC5結構圖
