HMC499LC4/HMC499LC4TR中低檔瓦數調小器無引腳 ADI期貨
發布的時期:2018-06-26 11:11:34 瀏覽網(wang)頁:2173
HMC499LC4是一種款高動向規模GaAs PHEMT MMIC中高馬力縮放器,用到完全符合RoHS原則的無引腳“無鉛”SMT封口。 該縮放器更具21至32 GHz的任務規模,提供數據16 dB增益控制、+24 dBm過飽和馬力和16% PAE(+5V電源模塊電壓降)。 隔直RF I/O符合至50 Ω,用到便宜。 HMC499LC4不要線焊,能夠用到表貼制做水平。
|
品牌
|
型號
|
描述
|
貨期
|
庫存
|
|
ADI
|
HMC499LC4
HMC499LC4TR
|
中等功率放大器,采用SMT封裝,21 - 32 GHz
|
現貨
|
215
|
軟件應用
-
點對點無線電
-
點對多點無線電和VSAT
-
測試設備和傳感器
長處和特性(xing)
-
輸出IP3: +34 dBm
-
飽和功率: +24 dBm (16% PAE)
-
增益: 16 dB
-
+5V(200 mA)電源
-
50 Ω匹配輸入/輸出
-
符合RoHS標準的4x4 mm SMT封裝
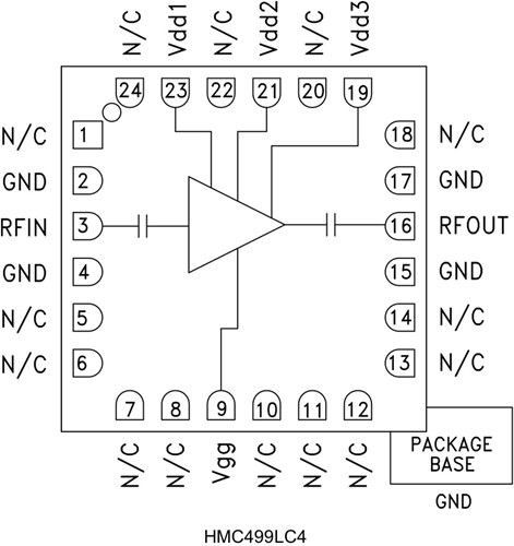
框架(jia)圖
