HMC487LP5E/HMC487LP5ETR按照SMT封口2瓦特工率變小器 ADI外盤
推(tui)送的時間:2018-06-25 15:48:33 訪問:2521
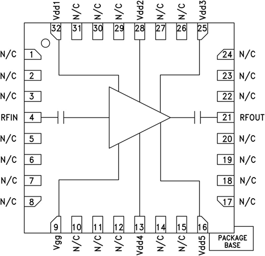
HMC487LP5(E)都是款高動態的範圍GaAs PHEMT MMIC 2瓦特瓦數增加器,主要包括無引腳5x5 mm單單從外表面貼裝裝封。 該增加器在9至12 GHz的率下辦公,提高20 dB的增益控制、+33 dBm的趨于穩定瓦數和20%的PAE,電源線工作電壓為+7V。 傷害IP3為+36 dBm(典型案例值)。 RF I/O為隔直串口,并切換至50Ω,選用方便簡潔。 HMC487LP5(E)不需線焊,可以選用單單從外表面貼裝生產的技術。
|
品牌
|
型號
|
描述
|
貨期
|
庫存
|
|
ADI
|
HMC487LP5E
HMC487LP5ETR
|
2瓦特功率放大器,采用SMT封裝,9 - 12 GHz
|
現貨
|
223
|
HMC487LP5應用
-
點對點無線電
-
點對多點無線電
-
測試設備和傳感器
-
軍事最終用途
HMC487LP5優勢和特點
-
飽和功率: +33 dBm(PAE為20%時)
-
輸出IP3為+36 dBm
-
增益為20 dB
-
+7V、1300 mA電源
-
50 Ω匹配輸入/輸出
-
25 mm2無引腳SMT封裝
HMC487LP5結構圖
