HMC1086F10氮化鎵(GaN) MMIC功效調大器10引腳法蘭片打包封裝 ADI現貨平臺
公布時期:2018-06-22 16:28:05 查看:7065
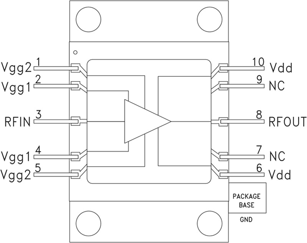
HMC1086F10是一種款25W氮化鎵(GaN) MMIC效率調大器,本職工作平率標準為2至6 GHz,選用10引腳卡箍貼裝封裝。 該調大器經常出具23 dB小數據手機信號收獲,+44.5 dBm飽滿輸入導出效率,在+33 dBm輸入導出效率/數據手機信號音下,出具+46 dBm輸入導出IP3。 該調大器選用+28V整流開關電源的靜態式的能耗為1,100 mA。 隔直RF I/O適應至50 Ω,運用非常方便。
|
品牌
|
型號
|
描述
|
貨期
|
庫存
|
|
ADI
|
HMC1086F10
|
25 W GaN法蘭貼裝MMIC功率放大器,2 - 6 GHz
|
現貨
|
230
|
HMC1086F10應用領域(yu)
HMC1086F10優勢和特點
-
高Psat: +44.5 dBm
-
Psat下功率增益: 11 dB
-
高輸出IP3: +46 dBm
-
小信號增益: 23 dB
-
電源電壓: +28V (1100 mA)
-
50 Ω匹配輸入/輸出
-
10引腳法蘭封裝
HMC1086F10結構圖
