HMC7357LP5GE/HMC7357LP5GETR中等偏上額定功率放縮器工作頻率5.5至8.5 GHz ADI外盤
分享時間段(duan):2018-06-22 16:06:19 觀(guan)看(kan):2624
HMC7357不是款三級考試GaAs pHEMT MMIC中低檔最大工率縮放器,運作的頻率位置為5.5至8.5 GHz。 該縮放器的收獲為29 dB,過剩模擬輸送最大工率為+35 dBm,PAE為34%,電直流電壓為+8V。 HMC7357保證+41.5 dBm的經驗豐富模擬輸送IP3性能參數,越來越是和線性網絡應該用,比如說高存儲容量點到點和點對多方向無限電或VSAT/SATCOM應該用——類似應該用要體現了+35 dBm的高過剩模擬輸送最大工率。 RF I/O內部結構相配至50 Ω,運行利于。 HMC7357選用無鉛5x5 mmPVC表貼打包封裝,與表貼營造技術水平兼容。
|
品牌
|
型號
|
描述
|
貨期
|
庫存
|
|
ADI
|
HMC7357
|
GaAs pHEMT MMIC 2 W功率放大器,5.5 - 8.5 GHz
|
現貨
|
120
|
HMC7357LP5GE使用
-
點對點無線電
-
點對多點無線電
-
VSAT和SATCOM
HMC7357LP5GE優勢和特點
-
Pout:+35 dBm (34% PAE)
-
高P1dB輸出:+34 dBm
-
高輸出IP3: +41.5 dBm
-
高增益: 29 dB
-
50 Ω匹配輸入/輸出
-
電源電壓: Vdd = 8V (1200 mA)
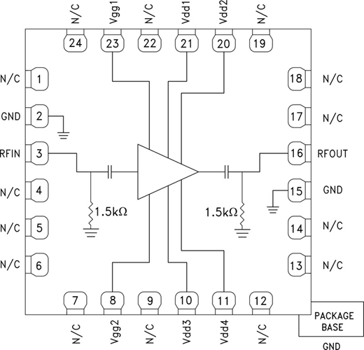
HMC7357LP5GE結構圖
