HMC383LC4/HMC383LC4TR專用MMICwin7驅動縮放器 ADI現貨平臺微商經銷商
上(shang)線事(shi)件:2018-06-29 13:42:06 訪問 :2345
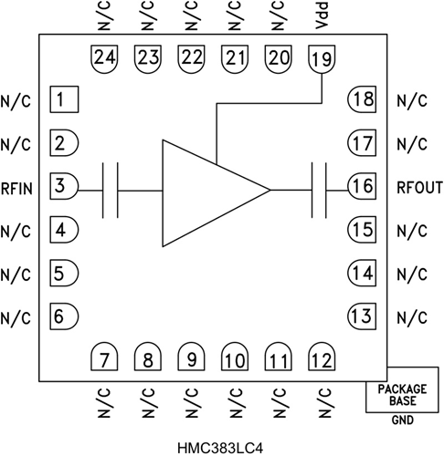
HMC383LC4也是款萬能GaAs PHEMT MMIC驅動軟件安裝放小器,選用契合RoHS規則的無引腳SMT芯片二極管封裝。 該放小器選用+5V單24v電源,增益控制值為15 dB,飽合最大輸出最大功率為+18 dBm。 在全部崗位頻帶寬度內存在不同的增益控制值和輸出最大輸出最大功率,而可能在兩個遠程電頻段運用其中一個萬能的驅動軟件安裝器/LO放小器。 隔直RF I/O符合標準規定至50 Ω,運用以便于。 HMC383LC4選用契合RoHS規則的無引腳4x4 mm 芯片二極管封裝,兼容面貼裝產生的技術。
|
品牌
|
型號
|
描述
|
貨期
|
庫存
|
|
ADI
|
HMC383LC4
HMC383LC4TR
|
中等功率放大器SMT,12 - 30 GHz
|
現貨
|
337
|
HMC383LC4應用
-
點對點無線電
-
點對多點無線電和VSAT
-
測試設備和傳感器
-
HMC混頻器LO驅動器
-
軍事和太空
HMC383LC4優勢和特點
-
增益: 15 dB
-
飽和輸出功率: +18 dBm
-
輸出IP3: +25 dBm
-
單正電源:
+5V (100 mA)
-
50 Ω匹配輸入/輸出
-
符合RoHS標準的4x4 mm封裝
HMC383LC4結構圖
