HMC1113LP5E/HMC1113LP5ETR表貼封口狹窄型下變頻器 ADI期貨
公布的(de)事(shi)件:2018-07-03 10:16:58 瀏覽記錄:2468
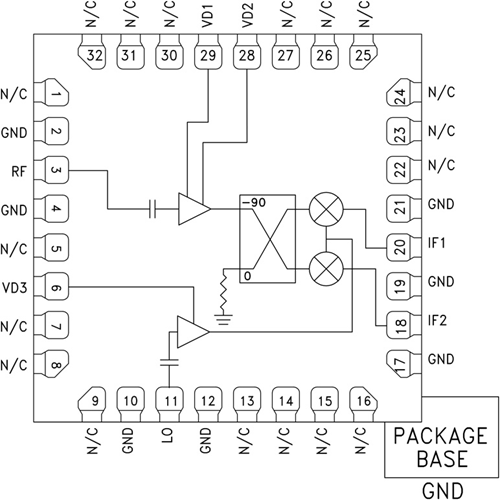
HMC1113LP5E是一種款緊密型GaAs MMIC I/Q下變頻器,按照無鉛5 x 5 mm低剪切力鋅合金壓鑄泡沫塑料表貼封裝類型。 該電子元元器還可以提供12 dB的小移動信號變為收獲、1.8 dB的燥聲數值和25 dBc的映射治理和改善耐磨性。 HMC1113LP5E按照LNA,后接由LO保護器變小器控制的映射治理和改善混頻器。 該映射治理和改善混頻器使人LNA此后需不需要在運用濾波器,并可去除映射頻段下的熱燥聲。 它存在I/Q混頻器傷害,需求內部90°混物型電子元元器用做選擇需求邊帶。 HMC1113LP5E為混物型映射治理和改善混頻器下變頻器插件的小款替換電子元元器,它需不需要線焊,還可以在運用表貼生產技術工藝。
|
品牌
|
型號
|
描述
|
貨期
|
庫存
|
|
ADI
|
HMC1113LP5E
HMC1113LP5ETR
|
GaAs MMIC I/Q下變頻器,10 - 16 GHz
|
現貨
|
257
|
HMC1113LP5E應用領域
-
點對點和點對多點無線電
-
軍用雷達、EW和ELINT
-
衛星通信
HMC1113LP5E優勢和特點
-
變為增益控制:12 dB
-
映射抑制性:25 dBc
-
LO至RF防護隔離:45 dB
-
噪音污染標準值:1.8 dB
-
IP3:1 dBm
-
32引腳5 x 5 mm SMT芯片封裝
HMC1113LP5E結構圖
