HMC634LC4/HMC634LC4TRwin7驅動放小器淘瓷表貼二極管封裝 ADI期貨
發表的(de)時間:2018-06-29 11:34:17 看:1990
HMC634LC4是款GaAs PHEMT MMIC驅動安裝程序變小器,使用無鉛4x4 mm瓷器表貼封裝形式,辦公次數的空間為5至20 GHz。 該變小器提高自由高達21 dB的收獲、+29 dBm打印輸出端電壓IP3及+22 dBm的打印輸出端電壓馬力(1 dB收獲降低時),功率為180 mA(+5V端電壓)。 HMC634LC4驅動安裝程序變小器極為十分合適辦公次數的空間為5至20 GHz的微波加熱手機無線電用,端電壓可偏置為+5V (130 mA)以提高較低收獲并可以改善PAE。 隔直變小器I/O符合好50 Ω,不必異常符合好元器件封裝。
|
品牌
|
型號
|
描述
|
貨期
|
庫存
|
|
ADI
|
HMC634LC4
HMC634LC4TR
|
驅動放大器,采用SMT封裝,5 - 20 GHz
|
現貨
|
251
|
應用
-
點對點無線電
-
點對多點無線電和VSAT
-
混頻器LO驅動器
HMC634LC4優勢和特點
-
增益: 21 dB
-
P1dB: +22 dBm
-
飽和功率:
+23 dBm (17% PAE)
-
單電源電壓: +5V (180 mA)
-
50 Ω匹配輸入/輸出
-
24引腳4x4mm
SMT陶瓷封裝: 16mm2
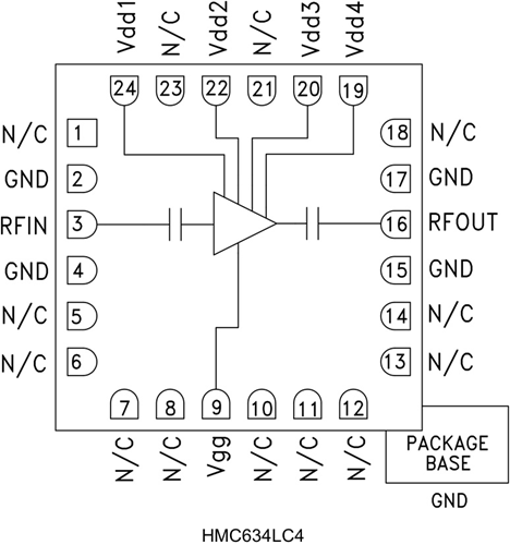
HMC634LC4結構圖
