制造業咨訊
發布公(gong)告周(zhou)期:2018-07-03 10:19:31 搜索:1933
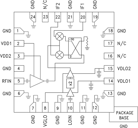
HMC1065LP4E是一款緊湊型GaAs MMIC鏡像抑制低噪聲變頻器,采用符合RoHS標準的無鉛SMT封裝。 該器件提供13 dB的小信號轉換增益,17 dBc的鏡像抑制和-2 dBm輸入IP3。 HMC1065LP4E利用RF LNA和由有源X2倍頻器驅動的I/Q混頻器工作。 它具有IF1和IF2混頻器輸出,所需外部90°混合型器件用于選擇所需邊帶。 I/Q混頻器拓撲結構可以減少無用邊帶濾波。立維創展 ADI現(xian)貨平臺 HMC1065LP4E為混合型鏡(jing)像抑制(zhi)下(xia)變(bian)頻器組(zu)件的小型替(ti)代器件,它無需線焊,可以使用表貼制(zhi)造技術。
| 品牌 | 型號 | 描述 | 貨期 | 庫存 |
| ADI |
HMC1065LP4E HMC1065LP4ETR |
GaAs MMIC I/Q下變頻器,27 - 34 GHz | 現貨 | 178 |
HMC1065LP4E應用(yong)
HMC1065LP4E優勢和特點
HMC1065LP4E結構圖
