HMC1063LP3E/HMC1063LP3ETR密集型I/Q MMIC混頻器 ADI期貨
更新時(shi)段(duan):2018-07-02 14:41:15 閱讀:1899
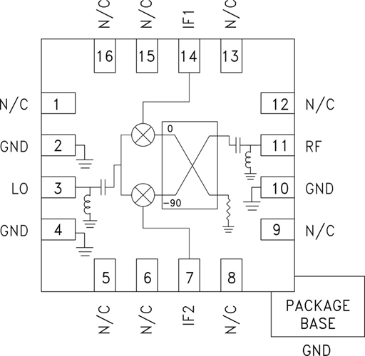
HMC1063LP3E不是款狹窄型I/Q MMIC混頻器,分為“無鉛”SMT電子元器材大家庭中的一員-二極管封裝,需用作系統系統鏡像減弱混頻器或單向喊上直流伺服驅動器。 該混頻器分為5個標準單位Hittite雙均衡混頻器單元測試卷和一種70度交織法元器材封裝,均分為GaAs Schottky電子元器材大家庭中的一員-二極管加工打造。 粉紅噪聲正交交織法元器材封裝適用于引發1,000 MHz LSB IF所在。 該產品的為交織法型系統系統鏡像減弱混頻器和單向喊上直流伺服驅動器配件的小型的充當元器材封裝。 HMC1063LP3E不用再線焊,能否食用表貼打造技藝。
|
品牌
|
型號
|
描述
|
貨期
|
庫存
|
|
ADI
|
HMC1063LP3E
HMC1063LP3ET
|
GaAs MMIC I/Q混頻器,24 - 28 GHz
|
現貨
|
259
|
HMC1063LP3E應用(yong)
-
點對點和點對多點無線電
-
軍用雷達、EW和ELINT
-
衛星通信
-
傳感器
HMC1063LP3E優勢和特點
-
低LO功率: 10 dBm
-
寬IF帶寬: DC - 3 GHz
-
鏡像抑制: 21 dBc
-
LO/RF隔離: 40 dB
-
高輸入IP3: 17 dBm
-
16引腳3x3 mm SMT封裝: 9 mm2
HMC1063LP3E結構圖
