HMC-APH596/HMC-APH596-SX兩極GaAs HEMT MMIC一般輸出放小器 ADI現貨平臺
發布的時(shi)光:2018-06-29 11:18:34 閱(yue)覽:1834
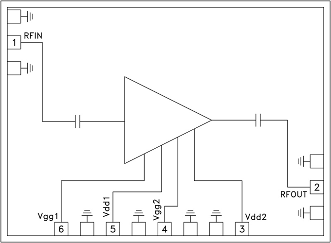
HMC-APH596是一個款二級GaAs HEMT MMIC高的英語運轉效率增加器,運轉的頻率范圍圖為16至33 GHz。 HMC-APH596給出17 dB收獲,采取+5V電阻值電阻值時都具有+24 dBm的輸出運轉效率(1 dB文件壓縮)。 所有的焊盤和電源芯片上面都途經Ti/Au五金化,增加器已充分鈍化以進行信得過進行操作。
HMCAPH596 GaAs HEMT MMIC一般效率圖像運放電線兼容常用的集成電線集成塊貼裝的方法,或者熱降低和熱超聲清洗線焊接藝,十分比較合適MCM和混微電線應該用。 這里顯示信息的所有數據分析均是集成電線集成塊在50 Ω條件下食用RF攝像頭觸碰精確測量。
|
品牌
|
型號
|
描述
|
貨期
|
庫存
|
|
ADI
|
HMC-APH596
HMC-APH596-SX
|
MMIC中等功率放大器,16至33 GHz
|
現貨
|
323
|
APP
HMC-APH596優勢和特點
-
輸出IP3: +33 dBm
-
P1dB: +24 dBm
-
增益: 17 dB
-
電源電壓: +5V
-
50 Ω匹配輸入/輸出
-
裸片尺寸:
2.55 x 1.87 x 0.1 mm
HMC-APH596結構圖
