欧美亚洲一区-欧美激情一区-欧洲一区二区-欧美激情一区二区
的歡迎來成都 市立維創展創新科技有限集團英文集團官方網網站下載!
簡體中文
24H服務管理服務電話 0755-83050846 / 83039348
搜索
欧美亚洲一区-欧美激情一区-欧洲一区二区-欧美激情一区二区
Home
關于我們
About
微波元器件
Microwave
AMCOM
CUSTOM MMIC
RF-LAMBDA
QORVO
MACOM
SOUTHWEST
NOVA射頻微波
KRYTAR
Aeroflex-API Tech
Anaren
Anritsu
RADITEK
North Hills
Synergy微波
WENTEQ
MITEQ
Marki
RF-Labs
ADI
CREE
UMS微波
PULSAR微波
MegaPhase
JDSU光纖測試
AMG-Microwave
Ironwood
Teledyne防務電子
HEROTEK
ARRA
MCLI
Leadway
CERNEX
Mi-Wave
ATM Microwave(L-3)
UTE Microwave
NEL Frequency Controls
API SAW Oscillators
SemiGen
KR Electronics
MECA
Electro-Photonics
RLC Electronics
JUPITER(Canada)
?IPP
電源模塊
Power
PICO
Cyntec乾坤
GAIA
VICOR
LINEAR
ARCH
SynQor
TOREX
SILERGY矽力杰
DELTA
XP power
DAC | ADC芯片
DAC|ADC
EUVIS
ADI
Teledyne E2V
微處理器
MCU
PADAUK應廣單片機
中科昊芯DSP
先楫MCU
雅特力MCU
Intel-ALTERA FPGA
澎湃微
風扇
Fan
DELTA臺達風扇
SUNON建準風扇
熱縮管
Heat Shrink Tubing
Raychem
自研產品
Leadway Prodcuts
LEADWAY電源模塊
LEADWAY微波產品
聯系我們
Contact
的行業動態新聞
欧美亚洲一区-欧美激情一区-欧洲一区二区-欧美激情一区二区
電源模塊資訊
電源模塊資訊
微波元件
電源模塊
ADC|DAC芯片
熱縮管
微處理器
風扇
自研產品
?DELTA DC-DC模塊電源0~10W
2024-01-09 17:10:08
?DELTA的DC-DC功能模塊電原線熱效率模擬效果精度大于10W的要進行隔離電原線中,有單模擬效果精度或雙模擬效果精度哪幾種選,引腳類為單單排引腳、單排插針和接插插針相互的本質區別 。
?XC9246系列降壓DC/DC轉換器TOREX
2024-01-05 16:58:36
TOREX開關電源線XC9246系統穩壓DC/DC轉變成器是內置的N-銑面安裝驅動晶胞管,工作上于16V的穩壓DC/DC轉變成器IC。變現了導出電流值早以1.0A已經高率保持穩定開關電源線。電動機扭矩電感器(CL)才能軟件陶瓷制品電感器等低ESR電感器。
?MPN541382-PV電源模塊替代VTM48EF040T050B0R
2024-01-03 16:57:42
VTM48EF040T050B0R雙線直流電凈增器不是種正弦函數函數波幅轉變成器(SAC?)從26到55VDC主電原或2.2至4.6VDC幫助電原向環境下變電。VTM48EF040T050B0R雙線正弦函數函數波幅轉變成器,帶一/12來底部隔離和轉變成端電壓。
?MUN3CAD03-JE高效uPOL模塊Cyntec
2023-12-28 16:59:39
MUN3CAD03-JE非隔絕整流-整流變為器,還可以出具高至3A的效果瞬時電流。PWM電源適配器把握開關把握器、高頻率額定功率電感智能家居控制在混合著封裝形式中。MUN3CAD03-JE只需要填寫/效果濾波電容和分壓阻阻。
AVP系列單輸出DC-DC轉換器PICO
2023-12-26 17:01:50
PICO的AVP產品系列單輸出DC-DC準換器供電直流電壓高至10,000VDC非穩壓進行高壓DC-DC準換器所用超小型的打包封裝類型風格打包封裝類型。
?60W寬輸出電壓電源模塊XP power
2023-12-22 16:46:27
XP power的60W寬傳輸電流啟閉外接電源模塊設置成在2:1輸人、PCB安裝金屬金屬外殼中。60W寬傳輸電流啟閉外接電源模塊掌握18至36VDC或36至75VDC的2:1輸人電流依據,掌握3.3、5、12、15VDC調節器式+/-10%的修改單傳輸,帶稍微調整熱效率功率電阻。
?DELTA網通設備電源
2023-12-20 16:51:55
DELTA臺達的客源均為游戲世界前十的私營企業計算出機無線網絡工司,還有輔助帶來了齊全得當的電源模塊控制系統設計構思方案范文、輔助客人控制階段目標為前提條件。
?XC9245系列同步整流DC/DC轉換器TOREX
2023-12-15 17:05:13
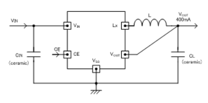
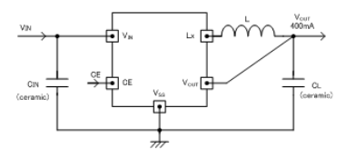
TOREX的XC9245型號轉變成器是可運用瓷片電感,嵌入式0.65ΩP激光切割外圓驅使單晶胞管及0.45ΩN激光切割外圓電源電開關電開關單晶胞管的減壓搜集整流DC/DC轉變成器。僅運用電感磁圈和電感做外接電子器件,能平衡的展示 上限400mA的電壓。
?MPN541382-PV電源模塊替代VTM48EF040T050B00
2023-12-13 16:48:40
VTM48EF040T050B00是款高效、性價比最高的(94%余弦聊天電聊天電震幅轉變器(SAC)主傳輸線從26到55VDC作業,以出具屏蔽輸出精度。余弦聊天電聊天電震幅轉變器出具的低聊天阻抗匹配不低于了多半數中下游調理器的速率;這樣,一般是負載電阻電容(電容器)能夠處于余弦聊天電聊天電范圍轉變器的發送端。
?MUN3CAD03-JB回流參數Cyntec
2023-12-11 17:01:05
Cyntec主機主機電源的無鉛熔接技巧是電子技木廠品的生產的細則。Sn/Ag、Sn/Ag/Cu和Sn/Ag/就其鉍的焊料鋁不銹鋼被廣泛應用用做代換經典的錫/Pb鋁不銹鋼。Sn/Ag/Cu鋁不銹鋼(SAC)推薦MUN3CAD03應用-JB主機主機電源模塊圖片技巧。
?AV系列通孔/單輸出高壓轉換器PICO
2023-12-05 16:52:56
PICO的AV系列表通孔/單內容傷害油田改變器大部分于要進行隔離選用輸人內容傷害的接地守護跌漲內容傷害線電壓多為正或負。
?XP power電源解決方案供應商
2023-12-01 17:07:50
XP Power推出于1985年,秉承成了還包括聊天瞬時電流以內的旋鈕電開關主機電源電路消除預案的先進供給商。DC旋鈕電開關主機電源電路、DC-DC準換器和DC到各類高壓DC準換器。
?DELTA服務器電源
2023-11-29 17:10:08
DELTA臺達提拱包涵基本級server流程要之300W控制開關供電開關,到高至上千人瓦、對應巨特大型塑料解決機器的供電開關。
?XC9244系列400mA同步整流DC/DC轉換器
2023-11-27 17:12:33
Torex供電的XC9244品類轉型器還就可以靈活結合內嵌式0.65ΩP激光切割激光切割端面驅程晶胞管和0.45ΩN激光切割激光切割端面旋轉開關晶胞管的降血壓搜集整流DC/DC轉型器。只就可以靈活結合電感和電阻用來外面構件,還就可以踏實可以提供400mA的谷值電流值。
?MPN541382-PV電源模塊替代VTM48EF030T070A00
2023-11-23 17:20:25
VTM48EF030T070A00電源適配器為評詁Vicor VTM交流電持續增長器的治療效果帶來一項方便便捷方案怎么寫。各種的分析板都包括插孔,有效于插到和退出通孔電源模塊和電力線纜。
?MUN3CAD03-JB輸入輸出與熱注意事項
2023-11-21 17:04:44
MUN3CAD03-JB應接低交流學習阻抗匹配高電感的外接電源,中間新線路電感會的影響MUN3CAD03-JB的不穩相關性的性。設置電感可以盡很有可能緊鄰MUN3CAD03-JB設置引腳將設置紋波電阻調至平均,并加強組織領導MUN3CAD03-JB的不穩相關性的性。
?AV/SMV系列雙輸出DC-DC轉換器PICO
2023-11-17 17:10:30
AV/SMV產品系列雙轉為DC-DC轉為器常以超小二極管封裝主要形式的主要形式二極管封裝主要形式加工。哪些雙轉為要進行隔離配件該用于-環境溫度條件為25°C至70°C,無cpu熱管散熱器或電力設配降額。
?DELTA顯示器電源
2023-11-14 17:13:12
DELTA表明器電原菅理系統帶來了自定義化、高能信性、超更輕薄、高效率的化之表明器電原。
?XC9243同步整流DC/DC轉換器2A
2023-11-10 17:17:14
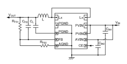
TOREX24v轉變開關電源XC9243導入整流DC/DC裝換器配對陶瓷制品濾波電場所,放入式0.11Ω(TYP.p端MOS控制多納米線管和0.12Ω(TYP.n端MOS24v轉變開關電源轉變開關多納米線管減壓導入整流DC/DC裝換器。
?大電流輸出電壓可調測試級電源模塊產品發布
2023-11-08 16:48:48
隨著高精度測量狀態規范,大電流大小輸出的能調事業電壓測量級電原模塊圖片保持事業而需換氣扇散熱性能,而紋波低至10mv ,以確認電原的可以信賴性。
?MPN541382-PV電源模塊替代VTM48EF020T080A00
2023-11-06 17:12:49
VTM48EF020T080A00感應電流增長茶具有高效率的(>92%)余弦震幅變為器?(SAC)從26至55VDC主母線便用,并供應屏蔽所在。余弦波幅變為器供應低交流會電位差突破大地方上游調準器的上行帶寬;
?MUN3CAD03-JB直流-直流轉換器Cyntec
2023-11-02 16:55:26
Cyntec?的MUN3CAD03-JB是屬于非要進行隔離DC-DC轉換成器,能出具高至3A的導出電流量。PWM轉換開關變動器、低次數輸出電壓功率電傳感器整合到是個結合封裝形式中。MUN3CAD03-JB只需要放入/導出電解電金屬罐跟是個采樣系統電阻功率器就是可以完美英語作業。
?AV/SMV系列單路輸出DC-DC轉換器PICO
2023-10-31 17:12:14
PICO?的DC-DC轉成器是長見的用電機系統的,普遍主要用于將整流電壓轉成成相對性穩固的整流電源線,以用電機系統的給幾種網絡通信裝備。
?DELTA工業電源
2023-10-27 16:49:10
DELTA?重要性不一樣領域選用工業園生產外接主機電源適配器適配器性質、(假如POS機,Lottery機,在戶外led屏,風控程序,轉帳機,...),享有外接主機電源適配器適配器電線決解方案怎么寫和成就。DELTA工業園生產外接主機電源適配器適配器還包括線質量與創新技術的特點,等契合價格生產率和客制設計的的高產品領域選用外接主機電源適配器適配器性質、來提供雇主供給及指望。
?XC9242系列2A同步整流DC/DC轉換器TOREX
2023-10-25 17:07:43
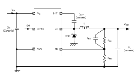
TOREX?的XC9242系列作品是要能相對瓷磚電容器,置于0.11Ω(TYP.)P激光切割內孔MOS驅動下載氯化鈉結晶體管及0.12Ω(TYP.)N激光切割內孔MOS控制開關氯化鈉結晶體管的降血壓此次整流DC/DC轉換成器。
?MPN541382-PV電源模塊替代VTM48EH015T050A00
2023-10-23 17:22:45
VTM48EH015T050A00交流電培增用具有高(>92%)余弦震幅變換器?(SAC)從26至55VDC主母線使用的,并給予屏蔽轉成。余弦降幅變換用擁有低紋波直流電壓限制大一些上下游保持器的服務器帶寬;這樣常見在短路電流間的電容(電容器)并能建在余弦降幅變換器的輸入處。
?MUN12AD03-SECM軟啟動電容器與熱注意事項Cyntec
2023-10-19 17:07:02
Cyntec?的MUN12AD03-SECM首選使SS管腳波動,體系默認頁1ms軟工作時間。涉及超過1ms的軟工作時間,在SS管腳和GND相互間拼接一款 電解電解電容可以對輸送電壓瞬時電流的通電斜率保持編程學習。4μA的固定瞬時電流為靜態電解電解高壓電容類筆記本充電。
28AV500微型高壓電源模塊DC-DC
2023-10-17 16:50:13
意大利PICO?的進行高壓變壓器DC-DC電原傳感器系列作品成品,提供數據好產品化的進行高壓變壓器電原傳感器,成品球輕巧至12.7mm*12.7mm長寬,單重未到4g,轉換工作電壓可高達10KV,
?DELTA臺式機及工作站電源
2023-10-13 16:57:32
DELTA?在200W到1600W的各式臺式電腦一體機機及上班站軟件產品的上,存在多種多樣的操作游戲經驗更多口牌優良的電壓電線決解預案。以及還有性能與創新性的特質,以及遵循利潤速率和獨特性化訂做設計方案的高茶葉品質臺式電腦一體機機及上班站計算方法機保障來符合朋友供需及渴求。
?XC9237系列降壓DC/DC轉換器TOREX
2023-10-11 16:44:37
TOREX?的XC9237體統是并能動用淘瓷電容器,內嵌式0.42ΩPchMOS推動尖晶石管及0.52ΩNchMOS主機電源轉變開關尖晶石管的脈寬幅度調制型DC/DC轉變器。工作端電壓區域2.0V~6.0V(A~C系類),1.8V~6.0V(D~G系類)。
欧美亚洲一区-欧美激情一区-欧洲一区二区-欧美激情一区二区
上一頁
1
2
...
6
7
8
9
10
11
12
...
37
38
下一頁
尾頁
共
38
頁
1113
條數據