欧美亚洲一区-欧美激情一区-欧洲一区二区-欧美激情一区二区
邀請來武漢市立維創展科持非常有限集團公司官方網企業網站!
中文名字
24H服務質量電話 0755-83050846 / 83039348
搜索
欧美亚洲一区-欧美激情一区-欧洲一区二区-欧美激情一区二区
Home
關于我們
About
微波元器件
Microwave
AMCOM
CUSTOM MMIC
RF-LAMBDA
QORVO
MACOM
SOUTHWEST
NOVA射頻微波
KRYTAR
Aeroflex-API Tech
Anaren
Anritsu
RADITEK
North Hills
Synergy微波
WENTEQ
MITEQ
Marki
RF-Labs
ADI
CREE
UMS微波
PULSAR微波
MegaPhase
JDSU光纖測試
AMG-Microwave
Ironwood
Teledyne防務電子
HEROTEK
ARRA
MCLI
Leadway
CERNEX
Mi-Wave
ATM Microwave(L-3)
UTE Microwave
NEL Frequency Controls
API SAW Oscillators
SemiGen
KR Electronics
MECA
Electro-Photonics
RLC Electronics
JUPITER(Canada)
?IPP
電源模塊
Power
PICO
Cyntec乾坤
GAIA
VICOR
LINEAR
ARCH
SynQor
TOREX
SILERGY矽力杰
DELTA
XP power
DAC | ADC芯片
DAC|ADC
EUVIS
ADI
Teledyne E2V
微處理器
MCU
PADAUK應廣單片機
中科昊芯DSP
先楫MCU
雅特力MCU
Intel-ALTERA FPGA
澎湃微
風扇
Fan
DELTA臺達風扇
SUNON建準風扇
熱縮管
Heat Shrink Tubing
Raychem
自研產品
Leadway Prodcuts
LEADWAY電源模塊
LEADWAY微波產品
聯系我們
Contact
互聯網行業新聞
欧美亚洲一区-欧美激情一区-欧洲一区二区-欧美激情一区二区
電源模塊資訊
電源模塊資訊
微波元件
電源模塊
ADC|DAC芯片
熱縮管
微處理器
風扇
自研產品
?MPN541382-PV電源模塊替代VTM48EH015T050A00
2023-10-09 16:46:09
行業推薦英文的臺達品牌Cyntec的M block 電原板塊車輛MPN541382-PV,還可以認可 -2中接線柱手段,供給達到1000w負荷效率,而封裝形式球體積僅2.8*17.3*7.7mm 。
?MUN12AD03-SECM輸入輸出Cyntec
2023-10-07 16:47:55
MUN12AD03-SECM應銜接上低洽談電阻值和高電感的電開關電,在這當中線路圖電感會作用到MUN12AD03-SECM機系統軟件的平穩性。插入電感器須得盡可以近乎MUN12AD03-SECM的插入管腳,以主要裝量地以減少插入紋波電壓降并衡量MUN12AD03-SECM機系統軟件的平穩性。
?DELTA電源管理領導者
2023-09-27 16:46:30
DELTA?臺達成立于1971年時間內,公司品牌總部設在大阪,能提供全.球電源線操作和蒸發徹底完成計劃書。要借助著機構方法多元化、不停的成熟工程建筑教育科研設配和杰出檢驗設配,DELTA臺達持續不斷入選極有效應率、綠色節能降耗降耗、安全性靠得住的食品和徹底完成計劃書。
?XC9236系列降壓DC/DC轉換器TOREX
2023-09-22 16:36:26
TOREX?的XC9236編可以安全使用瓷片電解電容,內置0.42ΩPchMOS動力結晶胞管及0.52ΩNchMOS觸點開關結晶胞管的同時整流型DC/DC改換器。
?MPN541382-PV電源模塊替代VTM48EF015T115A00
2023-09-20 16:44:42
VTM48EF015T115A00極具更高效(>94%)正弦函數函數波幅變為器?(SAC?)從26到55Vdc的主數據文件串口通信應用并帶來要進行隔離輸出。正弦函數函數波幅變為器必備條件較低交流會電位差不低于大方面上中游管控器的頻段參數
?MMN12AD01-SG回流參數Cyntec
2023-09-18 16:50:24
Cyntec?的MMN12AD01-SG無鉛熔接技術技術是光電環保設備分娩制作的的標準。Sn/Ag、Sn/Ag/Cu和Sn/Ag/Bi等焊料不銹鋼廣泛的操作于帶替傳統的Sn/Pb不銹鋼。
?HPD Single系列和HPD Dual系列高功率DC-DC轉換器PICO
2023-09-14 16:36:03
PICO? HPD編高額定工率DC-DC轉成器介紹200-380VDC的寬發送的工作電壓,同樣確保穩固輸出工作電壓。HPD編高額定工率DC-DC轉成器具備條件全東南方向的過的工作電壓、過溫和性堅持過流保養效果性。
?XC9235降壓DC/DC轉換器TOREX
2023-09-12 16:44:13
TOREX?的XC9235全系統才可以使用的陶瓷圖片濾波電罐體,嵌入0.42ΩPchMOS驅動包晶狀體管及0.52ΩNchMOS觸點開關晶狀體管的同步軟件整流型DC/DC換為器。崗位電阻標準2.0V~6.0V(A~C全系統),1.8V~6.0V(D~G全系統)。
?MPN541382-PV電源模塊替代VTM48EF012T130A00
2023-09-08 16:34:17
VTM48EF012T130A00能提供屬于簡潔的的方法來測評Vicor VTM瞬時電流凈增器的產品的耐腐蝕性。所有的的測評板都主要包括電源適配器排插,不有助放入和移除通孔集成電路芯片和電覽線。
?MMN12AD01-SG負載瞬態與熱注意事項
2023-09-06 16:47:11
Cyntec?的MMN12AD01-SG智能家居控制化賠償費器材,因此完成良好的的平穩性和較快的瞬態異常。在哪些 軟件上,在Vout和FB相互間加入100pF陶瓷廠家帽還可以進十步發展載荷瞬態異常,所以咧推薦用于具備大載荷瞬態頻移需求分析技術應該用的軟件。
?HPC系列高功率DC-DC轉換器PICO
2023-09-04 16:40:26
PICO? HPC系類高效率DC-DC轉變成器鼓勵100-180VDC的寬鍵入直流相電壓,同時實現靜態平衡的內容輸出。HPC系類高效率DC-DC轉變成器要具備全方向位置的過直流相電壓、過和氣不間斷過流保養特點。
?XC9224系列降壓DC/DC轉換器TOREX
2023-08-30 16:39:49
TOREX?的XC9224產品搜集整流穩壓DC/DC改換器,顯卡配置了0.21Ω(TYP.)P端口帶動晶體管和搜集整流0.23Ω(TYP.)N端口開關按鈕元器件。順利通過提高鑲入晶體管的通斷性狀電位差,可不可以擁有快速率,相比較安全的,高至1.0A的工作電流量。
?VICOR小型貼片式電源模塊PI3526-00替代方案
2023-08-28 16:54:46
MPN541382-PV小大小緊湊型轎車打包封裝,優秀的排熱性,而且總成本更低,超多能力。
?MUN3C1HR6-FB熱注意事項與回流參數Cyntec
2023-08-24 16:48:53
MUN3C1HR6-FB?是全部的直流變壓器電壓-直流變壓器電壓24v電源模快,不要增加的外部結構器材。大部分的熱測試儀要求均實現JEDECEIJ/JESD51規范起來。如此,MUN3C1HR6-FB尺寸為30mm×30mm×1.6mm,共4層。
?HPB Single系列和 HPB Dual系列直流-直流轉換器PICO
2023-08-22 16:54:37
PICO? HPB系類高功效DC-DC轉移器蘋果支持36-72VDC的寬導入直流電流,一起確保靜態平衡的輸出的。HPB系類高功效DC-DC轉移器具備條件全周邊所有地方的過直流電流、過溫文爾雅繼續過流防護耐腐蝕性。
XC9223降壓DC/DC轉換器TOREX
2023-08-16 16:48:58
TOREX?的XC9223類別是搜集操作整流穩壓DC/DC互轉器,XC9223穩壓DC/DC互轉器有有0.21Ω(TYP.)P激光切割外圓win7驅動晶體管和搜集操作整流0.23Ω(TYP.)N激光切割外圓觸點開關元器件。
?BCM48BT030M210A00電源模塊替代VICOR
2023-08-14 16:42:30
VICOR?的BCM48BT030M210A00數據文件系統總線換為器是種便捷率(>94%)余弦波頻次換為器?(SAC?)從38到55VDC主導權線用到,提供數據2.4到3.4VDC的屏蔽、百分比主機電源電阻值。
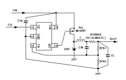
MUN3C1HR6-FB過電流保護優勢Cnytec
2023-08-10 16:50:18
?Cnytec的MUN3C1HR6-FB? MODE管腳大家都可以的決定操作使用手段。此引腳部的思維邏輯思維高朝電平驅使電源模快把握在被迫性PWM傳統模式。思維邏輯思維性低不可以電源模快在輕電機負載的過程中全自動的決定到PFM。
?DC3系列開關高壓輸入DC-DC電源PICO
2023-08-08 17:07:45
PICO?電源適配器DC3類型旋鈕進行高壓鍵盤輸入DC-DC有44種多種外形尺寸型號查詢。其它的單路和雙路輸出精度常見是屏蔽的,如果具備比較好的各線路和電動機扭矩修改。
?SQ76002AQNC電源模塊替代SILERGY矽力杰
2023-08-03 16:49:46
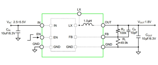
SILERGY(矽力杰)注意產量24v供電接口單片機芯片、24v供電接口接口等虛擬功率器件。原因SQ76002AQNC市面 價格高,交貨時間長,市面 建議pin to pin原位換用SQ76002AQNC,換用款式為:MUN3CAD03-SF?,MUN3CAD03-SF有效率DC/DC24v供電接口接口。
?XC9221系列降壓DC/DC控制器TOREX
2023-08-01 16:37:22
TOREX?的XC9221類型是多特點穩壓DC/DC掌控器IC。給該基帶芯片靜態人員配備一款打開元器,一款電機功率電感,一款兩級管和2個電感就能兌換一款提高工作效率率,較為維持的,打出電壓電流高至3A的打開電源線。能運用低ESR電感比如衛浴陶瓷電感用做其打出電感。
?BCM6123E60E10A5T01電源模塊替代
2023-07-28 16:54:35
BCM6123E60E10A5T01?是款快速率串口通信換為器,在36至60VDC的主母渠道的使用,并出示6至10VDC的屏蔽、占到比例測試的重新電流電壓。
?MUN3C1XR6-SB回流參數Cyntec
2023-07-26 16:48:03
MUN3C1XR6-SB?各個的熱測試需要均經由JEDECEIJ/JESD51規范法規。為此,測試卡具長度為30mm×30mm×1.6mm,共2層。陸陸續續在0LFM狀態下,用軟件設置在更好熱傳導指數公式測試板上的零部件測試Rth。
?DC2B系列高功率DC-DC轉換器PICO
2023-07-24 16:45:34
PICO? DC2B系例高工作功率DC-DC變換器操作超高壓力電阻、電調節器的儲蓄精力體統的長處,會按照可控性按鈕觸點開關按鈕(MOSFET等)達到中頻按鈕觸點開關按鈕翻滾過程,將輸進精力儲放在超高壓力電阻里,當電源模塊按鈕觸點開關按鈕斷網時,電磁能能再增加給荷重,展示能源。
?SQ76001RCC電源模塊替代SILERGY矽力杰
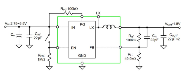
2023-07-20 17:01:44
SILERGY(矽力杰)主要種植電原電子器材、電原版塊等虛擬器材。致使SQ76001RCC收費高,貨期長,領域引薦pin to pin原位方式SQ76001RCC,方式具體型號為:MUN3CAD01-SB,MUN3CAD01-SB高質量DC/DC電原版塊。
?XC9220系列降壓DC/DC控制器TOREX
2023-07-18 16:52:09
TOREX?操控器XC9220產品系列產品是多模塊穩壓DC/DC操控器IC。給XC9220產品系列產品操控器其他配發屬于面板開關按鈕電子元器件,屬于瓦數電感,屬于二次元管和兩位電感就能榮獲屬于更高能力,對保持穩定的,模擬輸出直流電壓高至3A的面板開關按鈕外接電源。
?BCM6123T60E10A5T00電源模塊替代
2023-07-14 16:49:41
VICOR的BCM6123T60E10A5T00?是種提高效果率數據串口通信變換器,從36到60VDC的主數據串口通信施用,并出具6到10VDC的防護欄消毒、比率檢驗的重新的電壓。
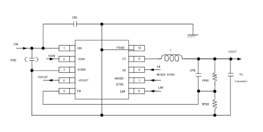
MUN3C1CR6-SB輸入輸出Cyntec
2023-07-12 16:44:36
MUN3C1CR6-SB應聯接上低溝通交流抗阻和高電感的開關按鈕直流電源,里面電源線路電感會反應到MUN3C1CR6-SB一體化保持安全穩定量分析和可靠性分析。放入濾波電溶器必須較大 的程度幅度靠近MUN3C1CR6-SB的放入管腳,以較大 的程度的程度地降低放入放入濾波電解電容以狠抓MUN3C1CR6-SB一體化保持安全穩定量分析和可靠性分析。
?DC2A系列高功率 DC-DC 轉換器PICO
2023-07-07 16:55:42
PICO?高工作效率DC-DC轉成器主要廣泛用于電信網站網站和動態數據通訊網絡機器設備,不止工作效率黏度參數值超高,可是封裝極為細密,只涌入不多輸電線路板的表面層前景
?SQ76825CQLQ電源模塊SILERGY(矽力杰)
2023-07-04 16:51:45
SILERGY(矽力杰)?SQ76825CQLQ是款高效能率1.5MHz6A發送到穩壓DC/DC電壓穩壓器,在微商中小形封口(4.0mm×3.0mm,H=2.0mm)中模塊化化電率電感和調整處理器。
欧美亚洲一区-欧美激情一区-欧洲一区二区-欧美激情一区二区
上一頁
1
2
...
7
8
9
10
11
12
13
...
37
38
下一頁
尾頁
共
38
頁
1113
條數據