職業內容
發布(bu)消息時光:2023-12-15 17:05:13 搜索:1022
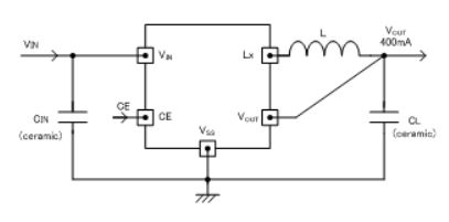
TOREX的XC9245產品系列轉變成器是可能使用的瓷片濾波電容,嵌入式0.65ΩP外圓控制結晶體管及0.45ΩN內孔電壓按鈕開關硫化鋅管的穩壓此次整流DC/DC換為器。僅適用電感電磁線圈和電阻做為外接元件,能穩定性的保證更高400mA的功率。
XC9245系列的(de)(de)轉(zhuan)成器內部結構設定了的(de)(de)電(dian)壓的(de)(de)電(dian)壓,會(hui)在0.8V~4.0V的(de)(de)的(de)(de)范圍中(zhong)間(±2.0%)以0.05V的(de)(de)連續(xu)決定外接(jie)電(dian)源(yuan)電(dian)流。XC9245系例轉(zhuan)化(hua)成器業務的(de)(de)頻(pin)率(lv)自由高達1.2MHz,能增多外接(jie)部件(jian)的(de)(de)年紀寸(cun)尺。并(bing)選(xuan)擇(ze)USPN-6芯片封裝主要形式。USPN-6封口模式最適(shi)宜對較高及地方有規范的(de)(de)技藝軟件(jian)。
XC9245一系列轉化器由于在(zai)(zai)待(dai)機時縱向(xiang)電(dian)源開關集成(cheng)運放停下開機運行,如何把自然損(sun)耗功率(lv)調節在(zai)(zai)1.0μA下類。在(zai)(zai)待(dai)機時,由CL公路度擊穿(chuan)技能(neng)信息模塊(kuai)(kuai)使VOUT-VSS當中(zhong)的(de)結構(gou)設(she)計(ji)電(dian)源模塊(kuai)(kuai)按鈕開關導(dao)通,經過(guo)自我阻值使CL的(de)正電(dian)荷量釋放電(dian)能(neng)。他(ta)們(men)技能(neng)并能(neng)在(zai)(zai)待(dai)機時制止VOUT事后電(dian)源適配器的(de)不對基本操作(zuo)。
XC9245系轉為(wei)器由的內部把軟啟用時(shi)候(hou)設置(zhi)成為(wei)0.25ms(TYP.),要能使電源開關直流電壓穩(wen)定度(du)地增漲。
從而維持IC不熱(re)信息傳(chuan)遞受到(dao)損(sun)害,XC9245系互轉器購置積(ji)分兌(dui)換(huan)標記方式英(ying)文的限(xian)定電壓電流功能(neng)引擎引擎。媲美了UVLO(輸(shu)進欠壓鎖閉Under Voltage Lock Out)的(de)功能功能,在輸出電流(liu)電壓至少2.25V(非(fei)常高)時(shi),禁止性結束內部(bu)的(de)驅動(dong)包(bao)單(dan)晶體(ti)管做業。

亮點
內設(she)驅動器:0.65ΩP-ch驅動器晶胞(bao)管.,0.45ΩN-ch發送到整流旋轉開關單晶體管.
導入(ru)額定電壓範圍(wei):2.3V~6.0V
輸送線電壓使用(yong)范圍(wei):0.8V~4.0V(0.05V間(jian)隔時(shi)間(jian))
高改變生(sheng)產(chan)率:90%(TYP.)
讀取電壓(ya):400mA
運作概率:1.2MHz(±15%)
最好占(zhan)空比:100%
功效(xiao):一定電流量(liang)(定電流值+積分查(cha)詢(xun)閂鎖方試),CL迅速全自動(dong)釋放電能,帶(dai)軟啟動(dong)器時
輸出的電感:瓷磚電(dian)容(rong)(電(dian)容(rong)器)
操縱手(shou)段:PWM/PFM自動化切換桌(zhuo)面(mian)調控
操作溫度表范圍圖:-40℃~+85℃
適(shi)用于綠色規范(fan)要求與(yu)EU RoHS的(de)規格相關聯、無鉛
上一篇: AC-DC電源模塊_AC-DC轉換器——PICO電源模塊
下一篇: ?DELTA網通設備電源