餐飲行業資迅
上線時刻:2023-10-25 17:07:43 訪問(wen):994
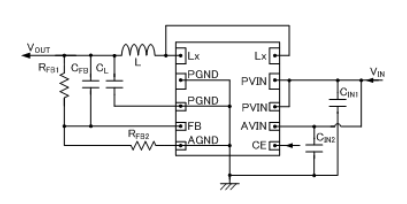
TOREX的XC9242國產是就能此類陶瓷制品電容(電容器),鑲入0.11Ω(TYP.)P內孔MOS能夠結晶管及0.12Ω(TYP.)N端口MOS電源開關尖晶石管的穩壓同時整流DC/DC轉化器。XC9242類型DC/DC轉變成器降底置入納米線管的導通電阻器,能提高速率率,不穩定性的提高最多2.0A的打印輸出交流電。工做聲音頻率時間范圍在2.7V~6.0V,根據自身業務0.8V(±2.0%)的基準面電壓值源,用外接內阻能隨便的從0.9V設備輸送電壓值。
XC9242(PWM超(chao)控)要能抉擇1.2MHz和2.4MHz的旋(xuan)轉開關規律。軟啟用(yong)用(yong)時在(zai)1ms(TYP.),做到快速的上線。高達(da)限定(ding)電(dian)壓為4.0A(TYP.),能比較適合高電(dian)壓降的運用(yong)。
XC9242一系(xi)列(lie)DC/DC更換(huan)器(qi)在(zai)待機(ji)(ji)時(shi)(shi)也能把(ba)消耗直流電壓掌握在(zai)1.0μA下述(shu)。在(zai)待機(ji)(ji)時(shi)(shi),由CL髙速自放電能力使LX-VSS范圍內的機(ji)(ji)構旋(xuan)鈕導通,根(gen)據主觀能動性內阻使CL的帶電粒子(zi)釋放電能。這能在(zai)待機(ji)(ji)時(shi)(shi)規(gui)避未來電源適(shi)配器(qi)的有誤基本(ben)操作。XC9242系(xi)列(lie)表DC/DC改換(huan)器(qi)內嵌式(shi)UVLO(讀取欠壓閘門(men)啟(qi)閉機(ji)(ji)Under Voltage Lock Out)特性,在輸出電壓(ya)降不大于2.4V(TYP.)時,強行地暫停里面(mian)的動力晶胞管工作。

優點(dian)
融入到驅使器:0.11Ω(TYP.)P-ch驅動下載單晶體(ti)管.,0.12Ω(TYP.)融入到N-ch驅動包器
錄入電壓(ya)值依據(ju):2.7V~6.0V
轉換(huan)工作(zuo)電壓區(qu)域:0.9V~VIN
FB電流電壓:0.8V±2.0%
高轉成的(de)效率:95%(TYP.)
輸出精度(du)交流電:2.0A
工(gong)作頻(pin)率區(qu)間:1.2MHz±15%,2.4MHz±15%
最高的(de)人占空(kong)比:100%
功(gong)能:帶軟開始,CL半自動(dong)自放(fang)電(dian),要求工作電(dian)流(自動(dong)化復(fu)歸),過高關斷(duan),UVLO
的輸出電阻:工業陶(tao)瓷(ci)電阻
汽車制(zhi)動方(fang)法:PWM固定不變遠程控制(zhi)
溫度因(yin)素的(de)范圍:-40℃~+85℃
轉(zhuan)變環保標準指定(ding):與EURoHS規格型號(hao)應當、無鉛化
TOREX光(guang)電器(qi)件重點保證COMS、感(gan)應器(qi)器(qi)、電感(gan)等元器(qi)材,商品以(yi)小球體積、能(neng)力(li)領(ling)航而(er)廣為人知(zhi)。
鄭州(zhou)市(shi)立維創展高新(xin)科(ke)技(ji)不足新(xin)公司,優點分銷系(xi)統TOREX電壓(ya)集(ji)成電路芯(xin)片,大量現貨黃金(jin)庫存管理(li),邀請(qing)合作(zuo)協議。
寶貝詳情熟悉TOREX請點擊率://www.gyzhkj.com/brand/62.html
款型 | 考慮電阻 | 運作頻(pin)次(ci) | 裝(zhuang)封(feng) |
XC9242B08CDR-G | 0.8V | 1.2MHz | USP-10B |
XC9242B08DDR-G | 0.8V | 2.4MHz | USP-10B |
上一篇: AC-DC電源模塊_AC-DC轉換器——PICO電源模塊
下一篇: ?DELTA工業電源