制造業房產資訊
更新時段:2023-11-27 17:12:33 瀏覽記錄:1044
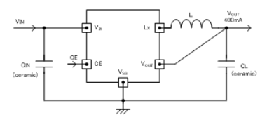
Torex交流電源的XC9244題材改變器就可以使用內置0.65ΩP端口能夠多晶體管和0.45ΩN一端面板開關尖晶石管的降血壓一起整流DC/DC改變器。只要結合感應線圈和電阻做為靜態零配件,能夠 安全提供了400mA的谷值電流量。
XC9244系(xi)列(lie)產品更(geng)換器(qi)內外部布置(zhi)輸入的(de)(de)電(dian)壓(ya),常常是0.8V~4.0V的(de)(de)領域內(±2.以(yi)0.以(yi)05V的(de)(de)時間(jian)購選(xuan)傷害交流電(dian)壓(ya)。XC9244系(xi)列(lie)表更(geng)換器(qi)的(de)(de)轉(zhuan)換開關頻率高至1.2MHz可以(yi)核減間(jian)接電(dian)子元件的(de)(de)細則(ze)。配用(yong)USPN-6裝封(feng)。USPN-6裝封(feng)是最滿足(zu)較高和(he)前景問題的(de)(de)軟件應(ying)用(yong)。
根(gen)據待機(ji)(ji)時(shi)所有主機(ji)(ji)電(dian)(dian)源(yuan)三極管終止暖機(ji)(ji),那(nei)么使用(yong)量電(dian)(dian)壓(ya)電(dian)(dian)流就能(neng)夠把(ba)控到1.0μA下類(lei)。待機(ji)(ji)時(shi),由CL的(de)(de)(de)繞城(cheng)高速電(dian)(dian)流作用(yong)性使能(neng)VOUT-VSS中(zhong)間的(de)(de)(de)的(de)(de)(de)內部(bu)面(mian)板開(kai)關導通,CL的(de)(de)(de)電(dian)(dian)荷量經過電(dian)(dian)壓(ya)表內阻釋放電(dian)(dian)能(neng)。該效用(yong)可(ke)以逃避待機(ji)(ji)時(shi)VOUT后繼電(dian)(dian)源(yuan)開(kai)關的(de)(de)(de)失敗運(yun)行(xing)。內部(bu)的(de)(de)(de)將軟運(yun)行(xing)精(jing)力如何設(she)為0.25ms(TYP.,能(neng)夠讓傷(shang)害電(dian)(dian)阻值較快提(ti)升。
為保護好(hao)IC招致熱壞損,XC9244產(chan)品(pin)系列互轉(zhuan)器在整體確實形式下游戲裝(zhuang)備了電流量制約(yue)基本功能性。
XC9244編互轉(zhuan)器嵌入式UVLO(復(fu)制(zhi)粘貼(tie)欠壓鎖(suo)閉Under Voltage Lock Out)作用(yong)性,當(dang)手機輸(shu)入額定電壓大于2.25V(比(bi)較大)當(dang)里面(mian)win7驅動結晶管不得已停止(zhi)工作高速運轉(zhuan)。

特(te)征
原帶驅使(shi)器:0.65ΩP-ch驅使納米線管(guan)(guan).,0.45ΩN-ch同時進行整流觸點開(kai)關晶狀(zhuang)體管(guan)(guan).
手(shou)機輸(shu)入相(xiang)電壓範圍:2.3V~6.0V
輸(shu)出的電阻區間:0.8V~4.0V(0.05V間格)
高換為速率:90%(TYP.)
的輸出瞬時(shi)電流:400mA
工(gong)作任務頻繁(fan):1.2MHz(±15%)
最(zui)多占空比:100%
效(xiao)果(guo):限定價(jia)格直(zhi)流電(定電壓電流+積分卡(ka)閂鎖方式),CL極速一(yi)鍵(jian)尖端放(fang)電,帶軟開啟
轉(zhuan)換(huan)電感:衛浴(yu)陶瓷(ci)濾波電容
調整原(yuan)則:PWM穩定有效控制
上班(ban)表面溫度的范(fan)圍:-40℃~+85℃
滿足節(jie)能環保需要:與EU RoHS規格參數相當于、無鉛
上一篇: AC-DC電源模塊_AC-DC轉換器——PICO電源模塊
下一篇: ?DELTA服務器電源